BIOSTRATIGRAPHY AND REGIONAL ZONAL SCHEMES


     

INTRODUCTION

In this chapter we analyze the stratigraphic distribution of the Paleogene Deep Water Agglutinated Foraminifera (DWAF). First we discuss global occurrence and local traceability of the taxa; next, we review the geological setting and stratigraphy of the principal regions studied, and provide stratigraphic range charts tied to local zonal schemes. In addition, we present probabilistic zonal schemes for basins where we were able to analyse sufficient numbers of wells. Finally, we present a synthesis of zonal schemes and regional acme events for the Paleogene of the Atlantic - western Tethys region.

Stratigraphic Traceability

Before we turn our attention to specific regions, it is of interest to review special aspects of the stratigraphy of DWAF, including (a) relatively long stratigraphic ranges, (b) local versus total stratigraphic ranges, (c) fluctuations in abundance and diversity in samples, and (d) the use of methods that extract a maximum of biostratigraphic information.

Although the stratigraphic ranges of individual species of deep water agglutinated benthic foraminifera are relatively long when compared to those of planktonic foraminifera, the fact is that we deal with a large number of stratigraphically rather closely staggered taxa, which enhances stratigraphic resolution. Also, planktonics generally are sparse or absent from sample intervals rich in agglutinated assemblages, the result of syn- and post-sedimentary carbonate dissolution, or geographic exclusion. A relatively lower degree of specialisation of agglutinated benthic foraminifera compared to planktonic taxa, leading to more environmental tolerance in a palaeoceanographic sense, and relative stability of deep benthic environments over pelagic ones, may be two reasons for such differences in species longevity.

As with organic-walled dinoflagellates, where stratigraphic ranges of many taxa also are relatively long, the local ranges of agglutinated benthic taxa in individual basins often are shorter than the known total stratigraphic record. The maximum range of taxa can help to construct their evolution, although it must be reckoned with that a majority of taxa probably branched into new taxa long before becoming extinct. Our knowledge of the evolutionary connections of taxa and their geographic dispersal routes is still in its infancy, and the subject is not dealt with to any extent in this Atlas, except for some lituolidae. However, the taxonomic stability offered through this Atlas for the Paleogene taxa may assist with attempts to unravel DWAF phylogeny.

One of the key questions related to the phylogeny of individual taxa, is the rate and extent of evolutionary turn-over, particularly temporal increases in rates of extinction and origination of new taxa. Although beyond the scope of this study, it may be provisionally stated (with details given below for specific regions), that Albian - Turonian, early to middle Campanian, late Paleocene to early Eocene, and early-mid Miocene are periods when relatively larger numbers of deep water agglutinated taxa evolved. Disappearances, although locally dramatic when basins became anoxic or shallowed, in an evolutionary sense probably were more gradual. A complex interplay of factors has been at work here, with our knowledge hampered by a lack of systematic studies. We anticipate that in the next decade sufficiently standardised information will be available to address the above questions, and place results in a comprehensive palaeogeographic and stratigraphic context. Evolutionary migrations of taxa and groups of higher taxonomic rank also need to be addressed.

There is another aspect to the stratigraphic utility of DWAF, one that ties in with palaeoecology, treated in the next chapter. We refer to the fact that it is well-known that deep water agglutinated assemblages as a whole track specific depositional sequences, particularly the fine-grained beds in gravity flow sequences. Often, such sequences extend younger in time basin inwards, and/or further offshore, where deep water conditions prevailed longer. Well-known examples are the Eocene disappearance of the DWAF assemblage in parts of the northern North Sea, and its Miocene disappearance in the central North Sea, and comparable trends from more inshore to more offshore on the northern Grand Banks, and in the delta front to deep-basin settings of the Beaufort-MacKenzie Basin (Gradstein et al., 1994; Schröder-Adams & McNeil, 1994b). However, care should be taken to 'not throw away the baby with the bathwater', when considering these observations. A few taxa may have had their stratigraphic ranges truncated where parts of a basin shallowed, or otherwise its depositional regime changed through time such that agglutinated foraminifera are not preserved, or biologically excluded. But such facts do not themselves detract from stratigraphic utility, since the same diachrony scenario holds true for planktonic foraminifera. Careful analysis of the stratigraphic ranges of as many agglutinated taxa as possible along basinward transects will reveal which taxa have their stratigraphic ranges truncated more than others, and in which part of a basin a particular set of stratigraphic ranges is effective for zone and age correlations.

At this stage it is useful to introduce two factors that 'control' present/absence and species diversity fluctuations, and bear on regional traceability of taxa, i.e., abundance and diversity fluctuations per sample, and per well.

To the detailed observer of agglutinated benthic assemblages it is known that the number of taxa, and the number of specimens per taxon may fluctuate fairly up and down a well or outcrop section. Although abundance and diversity markedly increase under somewhat increasing organics content of clays, when the oxygen minimum zone in slope watermasses had intensified, and syn-sedimentary oxydation of organics decreased (e.g., Preece et al., 1999), abundance and diversity details within the group remain obscure. Reduced sedimentation rates probably only partly account for higher abundance and higher diversity; changes in productivity are probably equally important. The dynamics of living agglutinated benthic populations, as a function of organic flux, oxygen and competition, and their preservation potential, with the present state of knowledge cannot be satisfactorily reconstructed for a majority of fossil assemblages (e.g., Van der Zwaan et al., 1999). Such requires multidisciplinary and quantitative studies generally well beyond the scope of stratigraphic analysis, particularly when undertaken within the limits of an industrial venture. The best practical approach remains to work with relatively large and closely spaced samples, and maximise extraction of fossils in a standardised manner. Only through standardisation of preparation methods can abundance and diversity be quantified, and made along empirical lines, and a-posteriori predictive in sedimentary basins.

Probably the most important questions for the practising stratigrapher working with agglutinated benthic foraminifera are: a) what are the chances that a particular taxon is detected, and b) what are the chances that observations are within the most likely stratigraphic range of the taxon in a basin. In the absence of a theoretical and biological basis for abundance and diversity, it would be attractive to apply statistical estimates to the chance a species is present in a sample, and how common it is. Such estimates would help us to understand why a particular taxon might be missing, and clarify its regional traceability. But here the use of theoretical probability distributions is flawed by the fact that competitive interaction of living taxa in a population cannot be modelled a-priori.

Modelling traceability is not practical for a majority of taxa in a dataset; there simply is not enough geographic grid information (Agterberg & Gradstein, 1999). What is clear from studies on the regional distribution of First-, First Common-, Last Common-, and Last stratigraphic Occurrences of taxa in data sets from many basins, is that few taxa occur in all wells, and that most taxa occur in few wells only (Fig. 13).

Figure 13. Cumulative frequency distribution of fossil event occurrences (foraminifera, dinoflagellates) versus number if wells in Paleogene or Cenozoic datasets from 12 wells in the western Barents Sea, 29 wells, offshore mid-Norway, 30 wells in the Central North Sea, and 27 wells on the Labrador Shelf and Grand Banks. These data sets yielded the RASC zonations in figures 14-24


We are talking about the FO, FCO, LCO and LO events of exploration biostratigraphy. Stratigraphic traceability of these events is invariable low for a majority of taxa, unless an extraordinary amount of sample material would be processed and examined at all well sites. Such amounts of sample material and such amounts of time are not available. The distribution model shows that few of the events in a data set occur in most wells, and all events occur in at least one well, is well-known from biological statistics. It also applies to many microfossil groups (Gradstein & Agterberg, 1998), including benthic foraminifera. Practical zonations with DWAF must focus on the events that occur in more than x wells or sections, where x is to be judged from the total number of wells in the data set, and desired detail in zonations. Rare events, occurring in fewer than x wells, may have value in age calibration, but are of limited use in correlation.

If it appears not easy to assess the chances that a particular taxon is detected, we can still focus on the question what the chance is that we know the most likely stratigraphic range of the taxon in a basin, and apply that through stratigraphic reasoning to the samples at hand. This is where probabilistic stratigraphy comes in, and brings us to advocate probabilistic DWAF zonations.

For the hydrocarbon exploration basins, offshore eastern Canada, and offshore northwestern Europe, where we have stratigraphic observations for an abundance of microfossil taxa in many wells, and in a great many ditch-cuttings samples, we calculated integrated foraminiferal and dinoflagellate zonations produced with the RASC (Ranking and Scaling) probabilistic stratigraphy method. Care was taken for each zonation to pool wells that are representative for major depositional settings. The RASC method is particularly suited to interpret 'noisy' stratigraphical data, prone to missing information due to poor sampling, potential reworking, 'down-hole' cavings in ditch-cuttings samples, misidentifications, and random variations in local ranges of taxa. RASC calculates a variety of stratigraphic results, and tests their reliablity (Agterberg & Gradstein, 1999). One of the key results to be generated is the optimum sequence of fossil events in relative time, which depicts the most likely stratigraphic order of these events over all wells. The record that makes up the data base for RASC are the last occurrence (LO), and the last common occurrence (LCO) of all taxa in all wells, but instead of finding and displaying the very last stratigraphic occurrence of taxa in a basin, RASC calculates and plots their average last occurrence. Hence, the optimum sequence is one of average last or average last common occurrences. The average last occurrence of an event, or its average last common occurrence, is a more practical tool for regional correlation than absolute last occurrence, and has the advantage that an error bar is known. In the case of the agglutinated benthic foraminifera, average stratigraphic tops with error bars provide valuable insight in the stratigraphic fidelity of taxa, which is high for some agglutinated taxa, and lower for some others.

From the cross-over frequency of events from well to well RASC calculates inter-event distances that scale the optimum sequence of fossil events; the final result is expressed in a dendrogram format, with the vertical axis being the optimum sequence in relative time, and the horizontal axis the interfossil distance. Each stratigraphically successive cluster of optimum sequence events represents a RASC interval zone, with large breaks reflecting major sequence boundaries, facies changes, and/or hiatusses in the basin. The identification and assignment of the RASC zones itself is best left as a subjective matter, since artificial intelligence has not made inroads in biostratigraphy.

The zonations presented in this Atlas come from a variety of sedimentary basins. Firstly, we will focus on the biostratigraphy with agglutinated taxa on 'passive' continental margin regions, actively explored for oil and gas, namely Labrador Shelf- northern Grand Banks, Central North Sea, offshore Mid Norway, Western Barents Sea, Beaufort - MacKenzie Basin. Secondly, we will review active continental margin regions, namely Caribbean (Trinidad), the Carpathian flysch basins, Spain & Morocco, and the Appennines (Gubbio, Italy), and finally the oceanic regions of the Labrador and Norwegian Seas and Atlantic Ocean where specimen tests may be particularly fine-grained as a function of distal depositional setting.

Although there are differences between the assemblages as a function of the geological setting, the main stratigraphic 'grain' clearly stands out. As discussed earlier, agglutinated assemblages of the circum North Atlantic siliciclastic basins in the North Sea, offshore Norway, and on the Labrador Shelf - northern Grand Banks in particular bear close similarities. The assemblages are abundant in upper Paleocene through Eocene deep water shales of many wells. In the deeper, more offshore and central part of the basins, where bathyal conditions prevailed longer, the agglutinated assemblages also extend into the Neogene strata. This so-called flysch-type agglutinated assemblage is part of the cosmopolitan benthic fauna that resides on fine-grained, siliciclastic continental slopes and in marginal basins, typically in the bathyal bathymetric realm, although elements of the flysch-type assemblages also extend onto the basin floors in abyssal water depths. As we will see, the fauna harbours many taxa that can be used for detailed stratigraphy and well correlations.


Back on top | Introduction | North Atlantic | Beaufort-Mackenzie, Arctic | Western North Atlantic | Eastern Atlantic ODP | Western Tethyan Flysch | Pelagics | Summary

     


     

NORTH ATLANTIC PETROLEUM BASINS

Labrador Shelf, northern Grand Banks

The Labrador Shelf between 54° and 60°N, is strongly glaciated, largely less than 200 m deep, and covers approximately 120,000 km2, using the 500 m isobath as the shelf break. Pre-Mesozoic rocks, which outcrop onshore in Labrador, extend offshore underlying the younger shelf deposits. Precambrian basement was sampled in several offshore wells. The shelf is underlain by up to 5 km of Cretaceous and Cenozoic clastic wedge sediments, deposited during the Cretaceous rifting, Maastrichtian to Oligocene opening (marine magnetic anomalies 34-13) and post-drift Neogene history of the Labrador Sea. Fine-grained, siliciclastic sediments, with a major gravity-flow component, of Maastrichtian to Oligocene age, were encountered in a majority of exploration wells, and contain rich and diversified deep-water agglutinated foraminiferal assemblages. Calcareous benthics and planktonics are also present, and assist with the zonation and well to well correlations.

On the outer Grand Banks, and locally also on the outer Scotian Shelf, DWAF assemblages occur in Paleocene through Eocene, and in furthest offshore, deepest water wells into late Neogene fine grained sediments. Particularly in more southern wells there also is a diversified and rich calcareous benthic foraminiferal record, as part of the natural bathyal foraminiferal assemblage that includes many of the agglutinated taxa; planktonics are also well-preserved.

Seismic stratigraphy, together with the geological well records, is the only source of information on these passive margin clastic wedges; no exposures occur onshore. Proximal parts of the clastic wedges were eroded and re-deposited seaward during and after Late Miocene.

Micropalaeontological information on the diversified agglutinating foraminifer assemblages is in Gradstein & Berggren (1981), Gradstein & Agterberg (1982), and Gradstein et al. (1994); the latter two studies emphasise their regional stratigraphic distribution, and introduced a RASC zonation for the Cenozoic foraminifera in the region, also using some sparse dinoflagellate data; in all 27 wells were analysed.

Figure 14 shows the RASC optimum sequence with standard deviations, and figure 15 the scaled optimum sequence with zones assigned, using 966 event records, based on the LO and LCO occurrences of 178 taxa of benthic and planktonic foraminifera. Each of the 71 events in the zonation selected from the database, occurs in at least seven out of 27 wells; an exception are the 15 unique events marked with two asterisks; the latter occur in fewer than seven wells, but are inserted for age calibration purpose.

Figure 14. Optimum Sequence with standard deviations (red bars) of Cenozoic foraminifera, calculated with the RASC (Ranking and Scaling) program for 27 Labrador Shelf-northern Grand Banks wells, using 966 event records of 178 taxa of benthic and planktonic foraminifera, and few miscellaneous microfossils. The majority of events are last occurrences (LO) in relative time; LCO stands for Last Common or Last Consistent Occurrence. Each event occurs in at least 7 out of 27 wells, leaving 71 events; an exception are the 15 unique events marked with two asterisks; the latter occur in fewer than seven wells, but are inserted partly for age calibration purpose. U.I. (uncertainty interval) is the (small) uncertainty in relative rank position for each event. N is the number of wells sampled to calculate the S.D. per event, where S.D. is the standardized deviation from the line of correlation in all wells. The average standard deviation of 1.7928 (solid red line) is the sum of all event S.D.'s, divided by the total number of events (56). From event S.D. theory it follows that events with a below average S.D. correlate the same stratigraphic level more faithfully than events with a higher S.D.


Figure 15. Scaling in relative time of the optimum sequence of Cenozoic events shown in figure 14. The arrow of time is upward; the interevent distances are plotted on the relative scale to the left in dendrogram display format. Large breaks (at events 52, 15 and 17) indicate transitions between natural microfossil sequences; such breaks relate to hiatusses and/or facies changes. Eleven LGR (Labrador-Grand Banks RASC) zones are recognised, of Paleocene through Plio-Pleistocene age (Gradstein et al., 1994). The zonation contains the average last occurrence of 20 agglutinated benthic taxa, 17 of which are described in the Atlas. For details, see text. The species taxonomy used with this RASC computer run is slightly outdated, but taxonomically updated names are in the range chart of figure 16.



Eleven LGR (Labrador-Grand Banks) zones are recognised, of Paleocene through Plio-Pleistocene age. The calculated RASC zonation contains the average last occurrence of 70 planktonic and calcareous benthic taxa, and 20 agglutinated benthics, 17 of which are described in the Atlas. Large breaks (at events 52, 15 and 17) indicate transitions between natural microfossil sequences related to hiatusses and/or facies changes. Since the well data base has been dormant since 1991, the species taxonomy in the RASC run is slightly outdated, but taxonomically updated names are given in the range chart of figure 16.

Figure 16. Stratigraphic range chart of 37 deep water agglutinated taxa for the Labrador-northern Grand Banks region. The total stratigraphic range of taxa may extend younger than the average stratigraphic range, with the result that the average last occurrences displayed in the RASC zonation of figure 15 may be slightly older. On average, event observations in the well samples may be closer to the average stratigraphic position in the RASC zonations than the last occurrence end point on the range chart.


After well to well correlation of the zones it was possible to also calibrate 17 less common taxa to the zonation, for a total of 37 DWAF taxa, shown in the range chart of figure 16. This stratigraphic range chart includes taxa that were either not recognised during the course of our initial well investigations in the seventies and eighties, like Cystammina sveni and Eratidus gerochi, or are rare like Buzasina pacifica, or have long and erratic ranges like Karrerulina horrida and Cyclammina cancellata. The chart also shows that almost half of the taxa on the Labrador Shelf extend stratigraphically downward in bathyal Maastrichtian shales.

The eleven zones with their partial content of the DWAF taxa that are limited to a zone, or extend their range upwards in it, are:

  • LGR1 - Paleocene: Praephaerammina gerochi, Remesella varians, Hyperammina dilatata, Ammoanita ruthvenmurrayi, Buzasina pacifica, Glomospira diffundens, Kalamopsis grzybowskii, Cribrostomoides trinitatensis, Recurvoides retroseptus, Spiroplectinella dentata, Placentammina placenta, Caudammina excelsa, Reticulophragmium garcilassoi, R. pauperum.
  • LGR2A - earliest Eocene: Glomospira spp. acme.
  • LGR2B + LGR3 - Early Eocene to early Middle Eocene: Caudammina ovula, Glomospira spp., Rzehakina epigona, Cystammina sveni, Spiroplectammina navarroana.
  • LGR4 + LGR5 - Middle Eocene: Haplophragmoides porrectus, Spiroplectammina spectabilis, Reticulophragmium amplectens, Eratidus gerochi, Ammosphaeroidina pseudopauciloculata, Karrerulina coniformis, K. conversa, Ammomarginulina aubertae, Haplophragmoides kirki. The latter very rarely occurs a half zone higher also.
  • LGR6 - Late Eocene: Haplophragmoides walteri and H. excavatus.
  • LGR7 + LGR8 - Oligocene to Early Miocene: Ammodiscus latus, Reticulophragmium acutidorsatum, Cyclammina placenta, C. cancellata, Karrerulina horrida, and R. rotundidorsatum. The latter also extend into younger strata.

The range chart of figure 16, in combination with the uncertainty estimates for optimum sequence taxa in figure 14, provides insight in the stratigraphic fidelity of taxa. The LO events and upper ranges of Spiroplectammina navarroana in Zone LGR2B, of S. spectabilis in Zones LG3-4, of Ammosphaeroidina pseudopauciloculata in Zone LGR5, and particularly of Karrerulina conversa in Zones LGR4-5, show well above average uncertainty. Well to well correlations with rare, and /or high variance taxa should be treated with caution.

An interesting example of regional stratigraphic utility is furnished by Glomospira charoides. The latter is a long ranging taxon that is present in the Recent North Atlantic Ocean. On the Labrador Shelf and Grand Banks it has its top on average just below the base of Zone LGR2, which is correlated to the Early Eocene. Its well below average uncertainty (Fig. 14) indicates that the LO of this taxon is a reliable stratigraphic event in the wells. The event may correlate to the base of the Lower Eocene Glomospira acme at ODP Site 647, Labrador Sea, Site 643, Norwegian Sea, in Morocco and in the Carpathian Mountain belt.

Another event known from both the Carpathian Mountain Belt, and from the northeastern Canadian Atlantic margin is the acme of Reticulophragmium amplectens in Middle Eocene Zones LGR4-5.

Several taxa have different stratigraphic ranges when compared to NW European offshore basins, treated below. For example, Rzehakina epigona on average ranges into Paleocene Zone LGR1, but occasionally is found as high as lower to middle Eocene Zone LGR3. In North Sea and offshore Norway wells it is largely confined to Campanian deep water shales. Similarly in the offshore of northwest Europe Caudammina ovula does not extend above the Cretaceous, but in offshore northeast Canada 'straggles on' with rare specimens ranging into lower Eocene Zone LGR2. Ammomarginulina aubertae ranges from the Maastrichtian into upper Eocene Zone LGR6, but it is confined to upper Paleocene through middle Eocene strata in offshore NW Europe. Reasons for the above differences in local ranges are not understood, but given the prominence of the taxa for local stratigraphies are not thought to be random.

North Sea, West of Shetlands, and offshore Norway

The North Sea, west of Shetlands and offshore Norway region contain remnants of stratigraphically superimposed sedimentary basins of Late Paleozoic through Cenozoic age, like stacks of incomplete pancackes. The regional histories are complex; differential subsidence and uplifts are related to extensive mobilisation of the North Atlantic rift systems. Widespread sealevel rise took place in mid to late Cretaceous time, creating extensive transgression. A Late Cretaceous through Danian chalk blanket formed, originally also covering much of Great Britain and extending across the North Sea, Holland, northern Germany, and Denmark; this "chalk sea" was 200-400 m deep in places. In the northern part of the North Sea, west of Shetlands and offshore Norway, coeval marine deposition was of a fine-grained terrigenous nature, with marls and shales rather than carbonates.

Deeper water, bathyal sediments, including minor and major gravity flow, siliciclastic wedges, of middle to Late Cretaceous, and of Paleogene age are widespread and contain diversified agglutinated benthic assemblages. In the southern part of the central North Sea, where deep water conditions prevailed into the Miocene, the agglutinated assemblage accordingly extends stratigraphically upwards.

Most diversified, most abundant, and most widespread agglutinated assemblages are found in the fine-grained, deep marine shales that were laid down during the rapid subsidence of the basins in the late Paleocene (Gradstein & Berggren, 1981; Jones, 1988; Gradstein & Bäckström, 1996; Van den Akker et al., 2000). This was the time when Paleogene seafloor spreading started in the Atlantic Ocean, north of the Charlie Gibbs fracture zone.

The large scale deposition of basaltic ash (Balder Fm) during the earliest Eocene coincides with the eruption of major flood basalts in eastern Greenland and Rockall, at the onset of seafloor spreading in the Norwegian Sea. The ash is a prominent North Sea seismic reflector. Due to the flood-basalt outpourings, the North Sea became restricted, as reflected in the widespread distribution of diatoms, including the pyritized pillbox Fenestrella antiqua, and virtual absence of bottom fauna in the severely dysaerobic basin. Surface water salinity may have been abnormal.

A major terrigenous clastic feature in the Central North Sea and West of Shetlands is the presence of large sand bodies intercalated in the upper Paleocene to lower Eocene, considered to be deltaic lobes, deeper water sheet sands and turbidites of late Paleocene to early Eocene age. These deep water sands form the producing horizons in the Forties, Montrose, Frigg, Lomond, Cod and many other oil and gas fields. Studies of the Forties Field Paleocene reservoirs show the presence of typical deep marine fan complexes, with prodeltaic shales and silts passing upward through fine sandstones of the prograding delta slope, which in turn are overlain by coarser sandstones deposited in distributary channels on the delta top.

During the Eocene regional subsidence slowed down, terrigenous clastic supply diminished, and by mid-Cenozoic time the northern North Sea, Viking Graben had filled, but in the more southern North Sea, Central Graben deep marine sedimentation lasted until the middle Miocene. Rapid, basin-wide middle Miocene through Pleistocene basinal subsidence and concommittant uplift of basin edges, led to massive late stage sediment fill deposited in shallow water depths. The cause of this neotectonic phase results may be intensification and re-orientation of compressional intra-plate stresses perpendicular to the basin axis, concommittant with the Alpine orogeny in southern and central Europe. Localised late Miocene sediment condensation was probably caused by the effects of rapid eustatic sealevel lowering in a widespread shallow-marine setting. During the Pleistocene the northern part of the North Sea experienced glacial deposition and erosion.

During the active Paleocene to Eocene phase of North Sea basin subsidence, benthic foraminiferal faunas were markedly different from Central Graben to onshore outcrops. The former were deposited in middle to upper bathyal water depths (< 1000 m), whereas onshore deposits were formed in neritic environments (< 200 m). Only in the late Paleogene (Oligocene) and Neogene phase of basinal infilling did benthic foraminiferal faunas become gradually more homogeneous over the entire area, although the central part of the North Sea Basin remained deep up to the middle Miocene, as shown by the persistence there of an agglutinated flysch-type fauna, and recurrent incursions of warm-water planktonic foraminifera. Correlations between the onshore and North Sea Basin succession in the Paleocene and Eocene (at least) is best achieved by dinoflagellate cyst biostratigraphy, integrated with the biostratigraphy provided by the calcareous plankton (foraminifera and nannoplankton) and benthic foraminifera, magnetostratigraphy and volcanic ash stratigraphy. This way a correlation network has been established over NW Europe, which serves as the background against which the probabilistic zonation was developed.

The Paleogene biostratigraphy, with focus on the deep water agglutinated benthics, will be discussed first for the North Sea (Figs. 17, 18), and West of Shetland (Fig. 19), followed by offshore mid Norway (Figs. 20, 21). The reason for separating the North Sea from offshore mid Norway is that regional stratigraphic differences exist that are best served by two, slightly different zonations. The zonations are updated from those in Gradstein & Bäckström (1996), using foraminiferal and palynological observations in a few more wells to resolve zonal detail. A composite range chart for the whole region is given in figure 22, showing the distribution of 55 agglutinated taxa.

North Sea
A total of 30 wells in the Viking and Central grabens of the North Sea were selected for the southern zonation. Based on the LO and LCO occurrences of 289 benthic and some planktonic foraminifera and dinoflagellates a total of 1430 events were recorded. Three taxa, Cyclammina cancellata, Reticulophragmoides jarvisi, and Cystammina pauciloculata, that show erratic LO event positions in the wells, resulting in high standard deviations and penalty points with RASC, were deleted from the record. Figure 17 shows the RASC optimum sequence with standard deviations, and figure 18 the scaled optimum sequence with the zones assigned.

Figure 17. Optimum Sequence with standard deviations (red bars) of Cenozoic foraminifera, calculated with the RASC (Ranking and Scaling) program for 30 North Sea wells, using 1430 event records of 289 taxa of benthic and planktonic foraminifera, some miscellaneous shelly microfossils, and dinoflagellates. The majority of events are last occurrences (LO) in relative time. Each event occurs in at least 7 out of 30 wells, leaving 57 events; 15 unique events were also inserted. The average standard deviation (solid red line) is 1.8062. For more explanation, see figure 14, and text.



Figure 18. Scaling in relative time of the optimum sequence of Cenozoic events shown in figure 17. Eighteen NSR (North Sea RASC) zones are recognised, of Paleocene through Plio-Pleistocene age (Gradstein & Bäckström, 1996). Large breaks (at events 129, 50, 206, 6, 266 and 23) indicate transitions between natural microfossil sequences, and/or hiatusses. The zones contain 33 agglutinated benthic events (32 LO and 1x LCO events) for 32 taxa, 29 of which are described in the Atlas. For more explanation, see figure 17, and text.


Each of the 87 events in the zonation occurs at least in seven wells, except for 15 unique events, marked with two asterisks that occur in fewer than seven wells, and are inserted for age calibration. There are 18 zones and subzones assigned, named NSR 1 - 13 (North Sea RASC), of early Paleocene through early Pleistocene age. Large breaks (at events 129, 50, 206, 6, 266 and 23) indicate transitions between natural microfossil sequences, and/or hiatusses. The zones contain 33 agglutinated benthic events (32x LO and 1x LCO events) for 32 taxa, 29 of which are described in the Atlas.

Relative to the zonation for offshore northeast Canada, many more agglutinated taxa are included, in part because the record is more diverse, and in part because of more detailed sampling and more detailed taxonomy. Both late Paleocene and early Oligocene assemblages are markedly diverse, and totally or largely devoid of calcareous benthic and planktonic taxa. One reason for the greater diversity in the North Sea Paleogene record may be less competition from calcareous benthic taxa, relative to the (more fertile?) Canadian Atlantic margin.

The total stratigraphic range of taxa may extend younger than the average stratigraphic range, with the result that the average last occurrences displayed in the RASC zonation of figure 18 may be slightly older. On average, event observation in the wells may be closer to the average stratigraphic position than the last occurrence end point of the range chart (Fig. 22).

Average LO or LCO events of agglutinated taxa typical for the North Sea Paleogene are:

  1. Zone NSR2, late Paleocene: Ammoanita ingerlisae, A. ruthvenmurrayi, Reticulophragmium pauperum, R. garcilassoi, Spiroplectammina spectabilis LCO, Rzehakina minima, Placentammina placenta, Caudammina excelsa, and Cystammina sveni; the latter two have relatively high standard deviations (Fig. 17). A. ingerlisae, A. ruthvenmurrayi, together with rare Conotrochammina voeringensis are confined to the lower part of the zone
  2. Zone NSR4, early Eocene: Recurvoidella lamella and Spiroplectammina navarroana. The zone is named after the easily recognisable planktonic Subbotina patagonica, which has a circum Atlantic productivity event in the middle part of the early Eocene (for discussion see Gradstein et al., 1994, p. 37), when pink marls occur.
  3. Zone NSR5, early Middle Eocene: Spiroplectammina spectabilis LO, Ammomarginulina aubertae, and Haplophragmoides kirki; the degree of uncertainty for the LO events of the three taxa is fairly high.
  4. Zone NSR6A, late Middle Eocene: Reticulophragmoides amplectens, and Ammosphaeroidina pseudopauciloculata; the latter event has a fairly high standard deviation; it may be found as young as early Oligocene.
  5. Zone NSR7A, early Oligocene: Annectina biedai, Haplophragmoides walteri, Karreriella seigliei, and particularly Adercotryma agterbergi. The LO events of H. walteri and A. biedai are often older, and have high standard deviations.
  6. Zone NSR7B, early Oligocene: Ammodiscus latus and Reticulophragmium rotundidorsatum, both with fairly high standard deviations. The cosmopolitan calcareous benthic Turrilina alsatica is characteristic for this zone.
  7. Zone NSR8, late Oligocene: Spirosigmoilinella compressa; rare specimens may be found younger (Fig. 22).

Although easy to identify and observed in 19 and 12 wells respectively, both the upper range and average LO of Karrerulina conversa and of K. horrida are subject to large stratigraphic variation, and accordingly have a large standard deviation (Fig. 17). In some wells K. conversa is not found above the Paleocene, a trend that is the rule offshore mid Norway. The opposite is true for Cystammina sveni, which in some wells offshore mid Norway and at ODP Site 643 extends into the Eocene, a trend interpreted to indicate deeper (middle bathyal) palaeobathymetry.

West of Shetland Biostratigraphy
There is limited information on the distribution of agglutinated benthic foraminifera in the Paleogene deep water sediments of the Faeroe-Shetland Basin, West of Shetland. Preliminary information (Van den Akker et al., 2000), and our own data (unpublished) show that the Campanian through Eocene microfauna and microflora development resembles that of the northern North Sea, and particularly offshore mid Norway (Møre and Vøring Basins). A difference may be that not only the early Paleocene, but also younger part of late Paleocene may be impoverished with foraminifera, a function of relatively uplift giving hiatusses, and/or coarse grained sediment substrate. Tentatively, the composite stratigraphic range chart of figure 22 may apply where the strata are rich in agglutinated taxa, to be updated upon publication of detailed well studies.

Since there is focus on the Paleocene hydrocarbon prospectivity of the region, we present a Maastrichtian through Early Eocene overview scheme (Fig. 19), showing the regional micropalaeontological and palynological interval zonations, tentatively tied to standard low-latitude zonations. The scheme is an operational one, in use for northern North Sea, offshore SW Norway, and West of Shetland, and compiled from various sources (FMG, unpubl.; S. Bäckström, unpubl.). The F. antiqua Zone refers to the extensive volcanic activity in earliest Eocene time, with local inversions, leading to watermass restriction and massive diatom blooms. Agglutinated benthic foraminifera are largely absent in the zone, in what may be a relatively shallow marine setting. Although not consistently present in wells, the range zone with A. ruthvenmurrayi and less common A. ingerlisae, of early late Paleocene age (approx. P3) is recognised. Overlying this zone is the easily identifiable R. pauperum Zone, occurring with a host of other rare to common agglutinated taxa known from the North Sea, and shown on the range chart in figure 22.

Figure 19. Maastrichtian through Early Eocene overview of regional micropaleontological and palynological interval zonations for northern North Sea, offshore SW Norway, and West of Shetland, tentatively tied to standard geochronology. The F. antiqua Zone refers to the extensive volcanic activity in earliest Eocene time, with local inversions, leading to watermass restriction and massive diatom blooms. Agglutinated benthic fauna in the antiqua zone is largely absent, in what may be a relatively shallow marine setting. Although not consistently present in wells, the range zone with A. ruthvenmurrayi and less common A. ingerlisae, of early Late Paleocene age (approx. P3) is recognised. Overlying this zone is the R. pauperum zone, with a host of other rare to common agglutinated taxa shown on the range chart of figure 22.



Offshore Norway
Offshore mid Norway, between approx. 62 and 68 degrees north, rich and diverse agglutinated assemblages occur in Campanian, upper Paleocene, and also mid-lower Eocene through lower Oligocene sediments, with highest diversity and abundance occurring in the upper Paleocene. Hydrocarbon exploration of the Paleogene siliciclastic wedges has revealed that substantial syn-rift compartmentation took place along the continental margin region during the Maastrichtian and Paleocene. Whereas some areas became uplifted in mid Maastrichtian to mid Paleocene time, others acted as deep depocentres with massive gravity flow wedges. Upper Paleocene strata generally represent mid to upper bathyal palaeo-depth. Lowermost Eocene strata with monotypic F. antiqua diatom blooms, again may be relatively shallow, and underwent similar watermass restriction as the North Sea. After early Eocene time, when the Norwegian Sea had opened, margin subsidence was largely of a post-rift nature with gradual fill.

In all 29 wells were selected for the northern RASC zonation, offshore mid Norway. Four events were deleted during the final RASC run, including Cystammina pauciloculata LO, Cyclammina cancellata LO, Cenosphaera LCO, and calcareous benthics LCO. These events gave many penalty points, high standard deviations, and weakened stratigraphic scaling results.

figure 20 shows the RASC optimum sequence with standard deviations, and figure 21 the scaled optimum sequence with the zones assigned, using 1663 event records in the 29 wells, based on the LO and LCO occurrences of 415 taxa of benthic and planktonic foraminifera and dinoflagellates. Each of the 111 events in the zonation occurs at least in 6 wells, except for 11 unique events, marked with two asterisks that occur in fewer than six wells, and are inserted in part for age calibration. The same 18 zones and subzones are recognised as in the North Sea, also named NSR 1 - 13 (North Sea RASC), of early Paleocene through early Pleistocene age. The zones contain the average last, or average last common occurrence of 34 deep water agglutinated events, based on 32 taxa, 30 of which are described in this Atlas. Large breaks (at events 60, 129, 157, 302, 369, 219, 125, 330 and 339) indicate transitions between natural microfossil sequences, and/or hiatusses.

Figure 20. Optimum Sequence with standard deviations (red bars) of Cenozoic foraminifera, calculated with the RASC (Ranking and Scaling) program for 29 offshore mid-Norway wells, using 1663 event records of 415 taxa of benthic and planktonic foraminifera, some miscellaneous shelly microfossils, and dinoflagellates. Each event occurs in at least six out of 29 wells, leaving 100 events; 11 unique events marked with two asterisks, were also inserted. The average standard deviation is 2.0119 (solid red line). For more explanation, see figure 14, and text.



Figure 21. Scaling in relative time of the optimum sequence of Cenozoic events shown in figure 20. Large breaks (at events 60, 129, 157, 302, 369, 219, 125, 330 and 339) indicate transitions between natural microfossil sequences. Eighteen NSR (North Sea RASC) zones are recognised, of Paleocene through Plio-Pleistocene age (Gradstein & Bäckström, 1996). The zones contain 34 agglutinated benthic events (32 LO and 1x LCO events) for 32 taxa, 30 of which are described in the Atlas. For more explanation, see figure 16, and text.


Relative to the North Sea zonation many more taxa, including dinoflagellate cyst events, are included because our data base is more detailed, with closer and better quality sampling, and more detailed taxonomy. Particularly the Oligocene to early Miocene zones NSR7 and 8 are strengthened, with more detail and better resolution. Deep water agglutinated foraminifera, including Spirosigmoilinella compressa, disappear in Zone NSR7, or early NSR8, prior to a sediment starvation interval (Zone NSR8B, early Miocene) with sponge spicules and frequent diatom debris. The latter are replaced by a calcareous planktonics rich assemblage during Zone NSR9 time, middle Miocene. The latter event heralds the onset of modern deep and surface water circulation in the Norwegian Sea, when the Faeroe - Shetland channel started draining cold overflow water, with Atlantic surface watermass return flow.

Reticulophragmoides jarvisi, Karrerulina conversa, and Cystammina sveni, typical for middle bathyal sedimens, on average are confined to Zone NSR2B, late Paleocene, but in some wells may be found 2 or 3 zones higher. This is the reason for the large standard deviations. The ancestral species of the Reticulophragmium amplectens lineage, R. intermedium, is prominent in the lower part of Zone NSR5, Middle Eocene; R. amplectens itself on average disappears in overlying Zone NSR6, middle to late Eocene, but rare specimens that look like it occasionally occur in Zone NSR7, which also harbours R. acutidorsatum (see Atlas text). 'Dorothia' seigliei, on average disappears in Zone NSR6, whereas in the North Sea it extends one zone higher; in the Norwegian Sea it also ranges higher (see remarks under K. seigliei).

Figure 22. Stratigraphic range chart of 55 deep water agglutinated taxa for the North Sea, west of Shetland and offshore mid-Norway sedimentary basins. The total stratigraphic range of taxa may extend younger than the average stratigraphic range, with the result that the average last occurrences displayed in the RASC zonations of figures 18 and 21 may be slightly older. On average, event observations in the well samples may be closer to the average stratigraphic position in the RASC zonations than the last occurrence end point in the range chart.




Western Barents Sea

The Barents Sea covers a continental shelf area that is of a comparable size to the entire North Sea, but the subsurface geology of the area is constrained by fewer than 50 wells, mostly in the Hammerfest and Tromsø Basins. This area has been subjected to intense Mesozoic and Cenozoic tectonic movements that have affected the configuration of seaways linking the North Atlantic with the Arctic Ocean. Therefore, studies of the sedimentary and biotic record preserved in the Barents Sea basins are important for reconstructing the history of faunal connections between the North Atlantic and Arctic oceans, and constraining palaeobiogeographic patterns in the Boreal Realm.

The Barents Sea comprises several Cretaceous and Paleogene basins and highs. The western border is formed by the oceanic Norwegian-Greenland Sea that started to form in the early Eocene. In the western region, Upper Paleocene through Early Oligocene marine sediments of the Torsk Formation unconformably overlie Cretaceous marine strata, and are in turn unconformably overlain by Pliocene - Pleistocene glacial marine and glacial sediments. The Torsk Formation contains light grey to greenish grey, non-calcareous claystone, 200-900 m in thickness, with thickness generally thinning towards the east owing to glacial erosion. Our study of the Torsk Formation in twelve western Barents Sea wells recovered diverse assemblages of deep water agglutinated foraminifera, dinoflagellate cysts and diatoms. Agglutinated genera in parts of the lower Torsk Formation like Cystammina, Caudammina, Pseudobolivina, Rzehakina, and abundant tubular forms such as Rhizammina and Rhabdammina indicate a middle bathyal or deeper depositional environment.

Nagy et al. (1997) studied the assemblages of DWAF, dinoflagellate cysts, and pyritized diatoms from a reference well (7119/9-1) located in the Tromsø Basin of the southwestern Barents Sea. Ninety-three samples were analysed from 510 to 1470 m, mostly at a sample spacing of 10 m. A total of 84 species and open nomenclature taxa were recognised, all of which consist of agglutinated foraminifera. The benthic foraminiferal succession in the reference well can be subdivided into six main assemblages:

  1. Reticulophragmium amplectens assemblage (early - mid Eocene)
    At the top of the Torsk Formation from 510 m to 700 m microfossil abundance and diversity are low. The assemblage consists mainly of Haplophragmoides excavatus and Budashevaella multicamerata. At 710 m there is a sharp increase in foraminiferal abundance, and a peak in the frequency of Reticulophragmium amplectens (= the early Eocene morphotype called Reticulophragmium intermedium (Mjatliuk)) is observed. This assemblage also contains common Rhizammina spp., Recurvoides spp., Karrerulina spp., Haplophragmoides excavatus, and Budashevaella multicamerata. The species R. intermedium is the nominate taxon of the late early Eocene to early middle Eocene Zone NSR5A of Gradstein & Bäckström (1996).
  2. Spiroplectammina navarroana assemblage (latest Paleocene to earliest Eocene)
    The LOs of many taxa are observed near 710 m, including that of Spiroplectammina navarroana, Ammosphaeroidina pseudopauciloculata, Haplophragmoides kirki, and Ammodiscus macilentus. In the Central North Sea, the LO of S. navarroana is an important event within the lower Eocene Subbotina patagonica Zone of Gradstein et al. (1994). In the Haltenbanken area of offshore Norway, the LO of S. navarroana is observed within the middle part of Zone NSR5A of Gradstein & Bäckström (1996). Mudge & Bujak (1996) correlated the LO of S. navarroana with the top of the Ypresian.
    The interval from 790 to 890 m is characterised by the occurrence of a diminutive form of Ammomarginulina aubertae, a species first described from the North Sea and Labrador Shelf by Gradstein & Kaminski (1989). This species is apparently diachronous in offshore Norway, as it characterises the late middle Eocene Zone NSR6 of Gradstein & Bäckström (1996) in Haltenbanken and in the northern North Sea. It is rare in our samples. The assemblage is numerically dominated by Rhizammina spp., with Recurvoides spp., Karrerulina spp., and Spiroplectammina spectabilis present in low numbers. The whole interval is characterised by a taxonomic turnover, and a plateau in the species range chart occurs near 810 m, coincident with a peak in the abundance of tubular forms. At this level the LOs of several typically Paleocene to lower Eocene species are observed, including Placentammina placenta, Praesphaerammina sp., Kalamopsis grzybowskii, and Glomospira spp. Both diversity and abundance decrease to minimum values near the base of this assemblage.
    We did not observe any planktonic foraminifera or calcareous benthic foraminifera in the lower Eocene interval of the well, nor did we find any specimens in adjacent wells in the western Barents Sea. Calcareous assemblages belonging to the Subbotina patagonica Zone of Gradstein et al. (1994) have only been observed as far north as Haltenbanken (Gradstein & Bäckström, 1996) and the outer Vøring Plateau (Hulsbos et al., 1989). Either the northern boundary of the early Eocene planktonic foraminifera must have existed south of the Barents Sea area, or the deep waters of the basin were too corrosive to allow the preservation of calcareous microfossils.
  3. Haplophragmoides aff. eggeri assemblage (late Paleocene)
    From 890 m to ca. 1070 m the diversity of benthic foraminifera is low, and the assemblage is dominated by tubular forms and a species of Haplophragmoides tentatively designated H. aff. eggeri. The LO of this species was observed at 910 m, but foraminiferal abundance near the top of this interval is especially low. The foraminifera in this interval are not age-diagnostic.
  4. Reticulophragmium pauperum assemblage (middle late Paleocene)
    Between 1080 and 1160 m, both the abundance and diversity of the benthic foraminifera steadily increase downhole. This interval is characterised by the consistent common occurrence of Reticulophragmium pauperum, an index taxon for the upper Paleocene in the North Sea and Haltenbanken. It is the nominate taxon of the late late Paleocene Zone NSR2B of Gradstein & Bäckström (1996). Other important species include Haplophragmoides walteri and tubular forms belonging mainly to Rhizammina. Spiroplectammina spectabilis is occasionally present in this interval in low numbers. The LO of Hyperammina rugosa is observed together with that of R. pauperum at 1080 m.
  5. Spiroplectammina spectabilis assemblage (middle late Paleocene)
    A distinct maximum in the abundance of Spiroplectammina spectabilis is observed in the interval from 1180 to 1400 m. The last common occurrence (LCO) of S. spectabilis occurs within the upper Paleocene in the North Sea, and is placed near the base of Zone NSR2B of Gradstein & Bäckström (1996). In the studied well, this event occurs between the LO of Alisocysta margarita and the LCO of Palaeoperidinium pyrophorum (at 1370 m), which agrees with its relative position in the RASC zonal model of Gradstein & Bäckström. One unusual feature of this assemblage is the large proportion of juvenile forms of S. spectabilis. Other common taxa include Rhizammina spp., Ammosphaeroidina pseudopauciloculata, Haplophragmoides walteri, and Reticulophragmium pauperum. In the lower part of the interval, single occurrences of the species Rzehakina minima and Reticulophragmoides jarvisi were observed. In the studied western Barents Sea wells, the species Ammoanita ruthvenmurrayi (the nominate taxon of the mid Paleocene Zone NSR 2A of Gradstein & Bäckström) is rare or absent. We therefore selected an event that occurs regionally in the western Barents Sea to characterise this assemblage. Our S. spectabilis assemblage is roughly equivalent to the T. ruthvenmurrayi Zone in the North Sea and Haltenbanken.
  6. Psammosphaera fusca assemblage (early middle Paleocene)
    The benthic foraminiferal assemblage at the base of the Torsk Formation (1430-1480m) displays the highest diversity and abundance in the well. There is an abrupt downhole increase in abundance at 1410 m. The assemblage is distinguished from overlying assemblages because it is dominated by species that agglutinate coarse material for the construction of their test, such as Hyperammina rugosa, Psammosphaera fusca, and an unnamed species of Recurvoides. Psammosphaera fusca increases in relative abundance at 1430 m, near the base of the Torsk Formation. Other common forms in this interval include Recurvoides spp., Rhabdammina spp., Karrerulina sp., and Ammosphaeroidina pseudopauciloculata. Three distinctive species are restricted to this assemblage: Cystammina sveni, Caudammina ovula, and Rzehakina epigona.

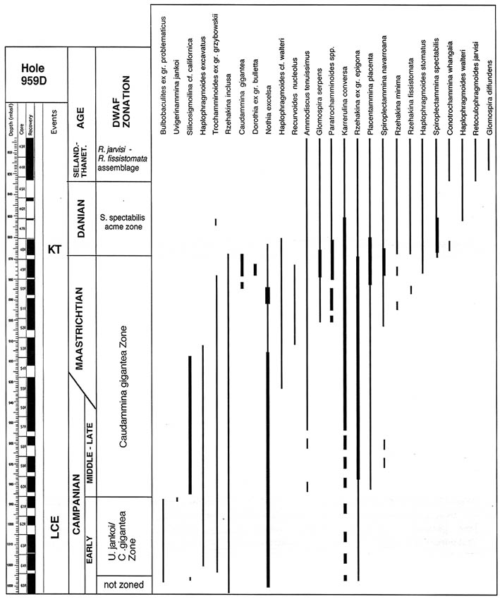
Samples from the underlying Upper Cretaceous Kviting Formation display increased abundance and diversity compared with the Torsk Formation. The species Ammodiscus glabratus, Hormosina velascoensis, and Caudammina gigantea display LOs coincident with the top of the Kviting Formation. However, the former two taxa are known to range into younger stratigraphic levels in other areas of the North Atlantic.

In order to establish a regional zonation, 625 foraminiferal and dinoflagelate cysts LO and LCO events from 122 taxa were analysed from 12 wells using RASC (Nagy et al., 2004). Figure 23 shows the RASC optimum sequence with standard deviations, and figure 24 the scaled optimum sequence with the zones assigned. Since no calcareous foraminifera were observed we speculate that tests may have leached out due to syn- and post sedimentary dissolution of carbonate. Each of the 51 events in the RASC zonation occur in at least 6 wells, except for 4 unique events, marked with two asterisks that occur in fewer than six wells, and are inserted for age calibration. Five broad zones are recognised of late early Paleocene through Eocene (undifferentiated) age. The RASC zones contain the average last, or average last common occurrence of 40 deep water agglutinated taxa, 34 of which are described in this Atlas. Large breaks (at events 298, 262, and 482) indicate transitions between natural microfossil sequences, and/or hiatusses.

Figure 23. Optimum Sequence with standard deviations (red bars) of Cenozoic foraminifera, calculated with the RASC (Ranking and Scaling) program for 12 western Barents Sea wells, using 625 event records in the 12 wells, based on the LO and LCO occurrences of 122 taxa of agglutinated benthic foraminifera, and dinoflagellates. No calcareous foraminifera were observed, and the tests may have leached out due to syn- and post sedimentary dissolution of carbonate. Each of the 51 events in the zonation occurs at least in six wells, except for four unique events, marked with two asterisks that occur in fewer than six wells, and are inserted in part for age. The average standard deviation is 3.8010 (solid red line). For more explanation, see figure 14, and text.



Figure 24. Scaling in relative time of the optimum sequence of Cenozoic events shown in figure 23. Four broad zones are recognised of late early Paleocene through Eocene age (undifferentiated). The RASC zones contain the average last, or average last common occurrence of 40 deep water agglutinated taxa, 34 of which are described in the Atlas. Large breaks (at events 298, 262, and 482) indicate transitions between natural microfossil sequences, and/or hiatusses. For more explanation, see figure 14, and text.


The relative low number of wells (12), and the relatively short stratigraphic interval increases uncertainty in the RASC results, and the average standard deviation in figure 23 is 3.8010. Nevertheless, the relative order of assemblages informally assigned in several of the wells by Nagy et al. (1997), is confirmed by the RASC results in additional wells. Nagy et al. (2004) established a formal zonation based on the stratigraphically successive assemblages described in well 7119/9-1. The authors recognised a basal Psammosphaera fusca-Hyperammina rugosa Zone (BSP1), with Cystammina sveni and Reticulophragmoides jarvisi in the lowermost part of the RASC zonation (Figs. 23-25). The LCO of H. rugosa is typical for this zone. The dinocysts Paleocystodinium bulliforme and Isabelidinium cf. viborgense have their average last occurrences in this zone, although outliers of the latter species are found much higher in the succession. Palaeoperidinium pyrophorum displays its last common occurrence in the interval. The next younger assemblage is the Spiroplectammina spectabilis LCO Zone (BSP2), with LOs of Caudammina excelsa, Placentammina placenta, Kalamopsis grzybowskii and others between the LOs of the dinoflagellate cysts Alisocysta margaritae and Palaeoperidinium pyrophorum. The next higher RASC zone (BSP3) consists of two subzones, the lower of which is named after Reticulophragmium pauperum (BSP3a) and correlates to Zone NSR2B, of late Paleocene age found in offshore mid-Norway. The overlying Haplophragmoides aff. eggeri Subzone (BSP3b) contains the LOs of Spiroplectammina spectabilis, Haplophragmoides porrectus, Psammosiphonella discreta, Glomospira charoides, Haplophragmoides walteri, Verneuilinoides sp., Haplophragmoides eggeri, H. kirki, Ammodiscus macilentus, Ammomarginulina aubertae, Glomospira gordialis and Ammodiscus peruvianus. Amongst the dinocysts, Alisocysta sp. 2 (of Heilmann-Clausen) and Apectodinium augustum have LOs within this zone. The occurrence of the dinocyst Apectodinium angustum suggests that the zone spans the Paleocene/Eocene boundary. Nagy et al. (2004) assigned the next younger interval to Spiroplectammina navarroana Zone (BSP4). The following foraminiferal taxa have their average LOs in this interval zone: Ammodiscus planus, Ammosphaeroidina pseudopauciloculata, Spiroplectammina navarroana, Nothia robusta, Karrerulina conversa, Bathysiphon sp. and Budashevaella multicamerata. The dinocysts Deflandrea oebisfeldensis, Cerodinium speciosum, Hystrichosphaeridium tubiferum, and Cerodinium wardenense have LOs within the zone. The S. navarroana assemblage, offshore mid-Norway and in the North Sea correlates to Zone NSR4, early Eocene, and although from the presence of Cerodinium wardense and an acme of D. oebisfeldensis (not in the zonation) Nagy et al., (op. cit.) assign the nominate assemblage to earliest Eocene, it may in fact be of broader age. The impoverished R. amplectens Zone (BSP5) (with its early morphotype R. intermedium), contains the LOs of the remaining agglutinated taxa, including Rhizammina spp., Reticulophragmium amplectens and Recurvoides spp. The zone also contains common Karrerulina spp., Haplophragmoides excavatus, and Budashevaella multicamerata. A characteristic event is the LO of the diatom species Fenestrella antiqua. Zone BSP5 probably correlates to the lower part of mid Norway and North Sea Zone NSR5, middle Eocene. In the uppermost part of the Torsk Formation in these wells, both the abundance and diversity of foraminifera are low, and the LO of R. amplectens is observed near the eroded upper contact of the formation. Therefore, these last stratigraphic occurrences are most probably not correlative to the true local extinction of the species. Figure 25 presents a summary range chart of the most common DWAF species plotted against the RASC zonation.

Figure 25. Stratigraphic range chart of 28 common deep water agglutinated taxa in the Torsk Formation in the western Barents Sea. The average stratigraphic range is given by a solid line, while outliers and local extensions upward and downward in wells are dashed.


Analysis of the Barents Sea data with RASC indicates that the average LOs of Cystammina sveni, Reticulophragmoides jarvisi, Ammomarginulina aubertae, and Karrerulina conversa have well below average standard deviations, and have regional stratigraphic fidelity in the Paleocene. When related to the data from mid-Norway and the North Sea these taxa appear to have shorter stratigraphic ranges northward, and the average tops are time transgressive from the Barents Sea to the North Sea southward. More study of the Torsk Formation will ascertain that this trend is not the result of local erosion of the deep water shales. Independent of these findings the many agglutinated foraminifera LOs provide valuable well to well correlations. In order to underline that finding, we reproduce a figure generated by Nagy et al. (2004), that links the Torsk formation in eight of the wells in a W-E transect and five wells in a N-S transect (Fig. 26). The last occurrences of the agglutinated benthic taxa and the extent of the RASC zones relative to the Alisocysta margarita and Spongiodinium delitense datums, are valuable tools to ascertain the subsurface geometry of the deep water strata.

Figure 26. Foraminiferal last occurrences in an W-E transect of eight wells and a N-S transect of five wells from the western Barents Sea, plotted at a common depth scale below the rig floor, to visualise the subsurface geometry of the deep water Torsk Formation.




Deep Norwegian Sea
ODP Site 643

ODP Site 643 was drilled at 67°47.11'N, 01°02.0'E at the base of the Vøring Slope in the Norwegian Sea. The site is located on Anomaly 23 crust at a water depth of 2768 m. This site gives us the best DWAF record for the Eocene history of the Norwegian Sea, as the assemblages are reasonably diverse and well-preserved. Drilling in Hole 643A penetrated 565.2 m of sedimentary section, including ca. 165 m of Eocene and 125 m of Oligocene to lower Miocene sediments. Backtracking calculations indicate a middle bathyal palaeo-depth for the early Eocene, lower bathyal depths for the middle to late Eocene, and abyssal depths (>2,000 m) for the Oligocene.

The benthic foraminiferal assemblages from Hole 643A were originally studied by Osterman & Quale (1989) for the Leg 104 Scientific Results. We studied the agglutinated assemblages occurring from Core 643A-35X to the base of the hole. The initial DWAF biostratigraphy was published by Kaminski (1988), and the full taxonomy was published by Kaminski et al. (1990). The biostratigraphic synthesis of Hole 643A was given by Goll (1989), and the dinoflagellate cyst biostratigraphy with new magnetostratigraphic correlations has been recently published by Eldrett et al. (2004). The chronostratigraphy of the site is not straightforward, as one or more hiatuses or very condensed sections may be present within Core 643A-50X, which is placed in the upper Eocene (Fig. 27). For the chronostratigraphy of Cores 643A-59X to -49X we refer to Eldrett et al. (2004), whereas for the upper part of the studied interval we refer to the synthesis of Goll (1989).

Figure 27. Stratigraphic occurrence of 33 common agglutinated foraminiferal taxa in the Eocene to Lower Miocene of ODP Hole 643A, lower Vøring Slope (modified from Kaminski et al., 1990). Magnetostratigraphy is after Eldrett et al. (2004).


Based on the ranges of taxa occurring in Hole 643A, we recognised five assemblages (Kaminski et al., 1990):

  1. Rhabdammina/Cyclammina assemblage (Core 643A-62X, CC to -56X-1)
    The DWAF assemblage in the lower part of the studied section contains a low diversity assemblage dominated by coarsely agglutinated species such as Hyperammina rugosa, Rhabdammina spp., and Psammosphaera fusca and numerous specimens of Ammolagena clavata attached to large quartz grains. The assemblage also contains well-preserved specimens of Haplophragmoides kirki, Cyclammina placenta and Conotrochammina voeringensis. This assemblage occurs just above oceanic basement and is assigned an early Eocene to early middle Eocene age based on dinocyst and magnetostratigraphy (Eldrett et al. 2004).
  2. Glomospira assemblage (Cores 643A-54X-5 to -50X-1)
    Above a barren interval in Core 643A-55X, the species diversity increases rapidly. A number of cosmopolitan species display first occurrences in Core 643A-54X, including Pseudonodosinella nodulosa, Hormosinelloides guttifer, Kalamopsis grzybowskii, Caudammina ovuloides, Lituotuba lituiformis, Karrerulina conversa, Reticulophragmium amplectens, and Cystammina sveni. Although not common, Glomospira spp. are present only in this interval. This interval corresponds to Chrons C20n to C17n of late middle Eocene age (Eldrett et al. 2004).
  3. Spirosigmoilinella compressa assemblage (Cores 643A-49X-5 to -47X-1)
    This interval in Hole 643A is characterised by the partial range of Spirosigmoilinella compressa, which first occurs in Section 643A-49X-5. The assemblage is still dominated by common tubular forms, and R. amplectens is still continuously present. The species Budashevella multicamerata, Ammosphaeroidina pseudopauciloculata, and Karreriella chapapotensis display FO's within this interval. The LO of Hyperammina rugosa is observed in Core 643A-47X, near the top of the assemblage. The bottom part of Core 643A-49X was assigned to Chron C13n by Eldrett et al. (2004).
  4. Psamminopelta gradsteini - R. amplectens assemblage (Cores 643A-46X-5 to 42X-1)
    This interval in Hole 643A is defined by the concurrent stratigraphic ranges of the nominate taxa. The assemblage is characterised by a gradual decline in diversity towards the top of the assemblage, where the LO of R. amplectens occurs in Sample 643A-42X-1, 74-77 cm. In addition to the ubiquitous tubular species, the assemblage contains common Karreriella siegliei, S. compressa, Ammodiscus tenuissimus, and Ammosphaeroidina pseudopauciloculata. Increased numbers of Budashevella multicamerata are observed. The upper part of this assemblage is dated as late Oligocene (NP25), based on the occurrence of calcareous nannofossils in Sample 643A-43X, CC (Shipboard Scientific Party, 1987).
  5. Psamminopelta gradsteini assemblage (Cores 643A-41X-1 to -35X-1)
    The base of this assemblages corresponds to the LO of R. amplectens, and the interval is characterised by the common occurrence of P. gradsteini. The interval contains about 20 species of DWAF, including Ammodiscus cretaceus, Reticulophragmium acutidorsatum and Karreriella siegliei. Goll (1989) assigned this interval an early Miocene age.


Greenland Basin
ODP Site 913

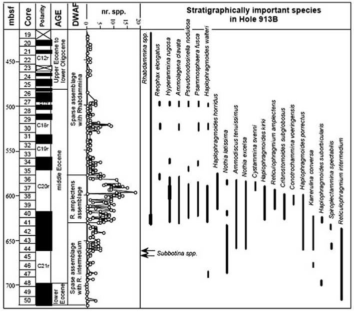
ODP Hole 913B provides us with our most northerly record of Eocene DWAF, as well as best Eocene magnetostratigraphically constrained dinocyst record in the northern Atlantic (Eldrett et al., 2004). Site 913 was drilled at 75°29.365'N, 6°56.810'W at a depth of 3316 m in the East Greenland Basin. The site is on marine magnetic anomaly 24B. Age control in the hole is based mainly on siliceous microfossils and palynomorphs (Scherer & Koc, 1996; Hull et al., 1996; Eldrett et al. 2004). The chronostratigraphy used here is based on the new dinoflagellate biostratigraphy and magnetostratigraphic correlations published by Eldrett et al. (2004). The DWAF from Core 913B-19W to Core 913B-50R were initially studied by Osterman & Spiegler (1996), and the stratigraphic ranges of cosmopolitan DWAF are given in figure 28.

Figure 28. Stratigraphic occurrence of agglutinated foraminifera in the Eocene to Lower Oligocene of ODP Hole 913B, East Greenland Basin. The chronostratigraphy is from the Leg 151 biostratigraphic synthesis (Hull et al., 1996). Also shown are the levels with Subbotina. Agglutinated foraminiferal assemblages are modified after Osterman & Spiegler (1996).(2004).


The benthic foraminifera from Hole 913B initially show an increase in diversity followed by a decrease in diversity uphole. The lowermost sediments recovered from the base of the hole are barren of foraminifera. Samples from Cores 913B-50R to -45R contain a sparse assemblage comprised of 10 species, dominated by Bathysiphon spp., Nothia latissima, and Reticulophragmium intermedium (reported by Osterman & Spiegler as "Haplophragmoides sp. 2"). Other species have only sporadic occurrences. The FO of Karrerulina conversa was observed in Core 913B-46R-3. This interval was assigned to Chron C21r of earliest middle Eocene age (Eldrett et al., 2004), and is interpreted as representing deposition in a shallow-water setting (Osterman & Spiegler, 1996).

A somewhat more diversified assemblage was found beginning in Cores 913B-44R in sediments of middle Eocene age assigned to Chron C21n. This core contains the FOs of Ammodiscus tenuissimus, Haplophragmoides porrectus, Nothia excelsa, and scattered occurrences of Spiroplectammina spectabilis.

Another faunal change is observed within Core 913B-41R. At this level diversity and abundance begins to increase more rapidly. The interval from Cores 913A-41R to -35R contain a diverse DWAF assemblage consisting of 41 taxa. The FOs of Rhabdammina spp., Hyperammina rugosa, Ammolagena clavata, and Haplophragmoides suborbicularis occur within Core 913A-41R. Karrerulina conversa becomes common. The FO of Reticulophragmium amplectens was observed in Sample 913B-39R, CC. This interval includes the whole range of R. amplectens at this locality. We therefore correlate this interval with the R. amplectens Zone on the Norwegian Margin. The interval contains some typical deep-water taxa such as Cystammina sveni, Conotrochammina voeringensis, Pseudonodosinella nodulosa, therefore it is likely that this more diversified assemblage reflects the subsidence of Site 913 to bathyal depths. A decrease in diversity is observed near the top of this interval within Cores 913B-36R and -37R, which includes the LOs of H. porrectus, Conotrochammina voeringensis, Pseudonodosinella elongata, Haplophragmoides kirki, Cystammina sveni, Nothia excelsa and N. latissima. This level corresponds to a decrease in the sedimentation rate, with a possible minor hiatus within Chron C20r (Eldrett et al. 2004).

The interval from Core 913B-35R-3 to the top of Core -20R contains a very sparse assemblage consisting of only 8 taxa. The assemblage is dominated by tubular forms, especially Rhabdammina. The disapearance of the typical Eocene DWAF at this site is likely related to local environmental (lithological) changes, since many of the species in the underlying "R. amplectens interval" range into much younger sediments at other ODP sites in the Norwegian Sea (see below). The interval above Core 913B-33R becomes increasingly biosiliceous, with pyritized diatoms abundant in Core 913B-32R. From Core 27R to -24R the sedimentation rate decreases further, and upper Eocene sediments become diatomaceous and laminated, with over 100 species of well-preserved diatoms (Scherer & Koc, 1996). The typical late Eocene DWAF taxa (such as R. rotundidorsatum and Spirosigmoilinella) must have been ecologically excluded from this locality. Only the tubular forms are still present in the biosiliceous sediments.


Iceland Plateau
ODP Site 985

ODP Site 985 was drilled at 66°56.49'N, 6°27.01'W, on the gentle slope of the Iceland Plateau in the southern part of the Norewgian Sea. Site 985 is located on Eocene Anomaly 22 crust (about 50 Ma) and is situated at a water depth of 2799 m. The sediments recovered are predominantly fine-grained siliciclastics. The dominant lithologies include silty clays, clays with silt, and clays. Sediments become biosiliceous toward the top of the studied interval, with clays and silty clays containing biosilica found between 240 and 290 mbsf. The upper part of the sequence (1-160 mbsf) was dated by means of magnetic polarity records to the latest Miocene, but the underlying sequence proved difficult to correlate to the geomagnetic polarity time scale. Siliceous microfossils and agglutinated benthic foraminifera provide some age information in the lower section, indicating that the drilled sequence terminated in the Oligocene.

Examination of 49 samples from Core 985A-32X to the base of the hole (Core 95A-62X,CC) yielded 40 species and generic groupings of DWAF (Kaminski & Austin, 1999), giving us the best Oligocene record in the Norwegian Sea area. Specimens throughout the studied interval are generally well preserved, uncrushed, with delicate tubular astrorhizids and thin-walled forms present in the samples, suggesting that the DWAF were not greatly affected by differential preservation. The succession of foraminiferal assemblages, the ranges of some characteristic species, and a simple measure of species diversity observed in Hole 985A is given in figure 29.

Figure 29. Stratigraphic occurrence of agglutinated foraminifera in the Eocene to Lower Oligocene of ODP Hole 985A, Iceland Plateau (modified from Kaminski & Austin, 1999, with new data).


Based on the ranges of characteristic species Kaminski & Austin (1999) subdivided the succession into three main assemblages.

  1. Coarsely agglutinated assemblage (Core 985A-62X, to 50X)
    The DWAF assemblage in the lower part of the studied section is characterised by coarsely agglutinated species such as Hyperammina rugosa, Rhabdammina spp., and Psammosphaera fusca and numerous specimens of Ammolagena clavata attached to large quartz grains. Other common species include Reticulophagmium amplectens, Haplophragmoides walteri, Pseudonodosinella elongata and Recurvoides spp. A number of stratigraphically important forms are also present.
    The lowermost sample collected from Hole 985A (Sample 985A-62X, CC) contains Spirosigmoilinella compressa, Adercotryma agterbergi, and Karreriella siegliei. These species are characteristic of the lower Oligocene recovered from exploration wells on the Vøring Plateau (Gradstein et al. 1994). This age determination is at odds with the preliminary late Oligocene age reported in the Site 985 Chapter (Shipboard Scientific Party, 1996). The FO of the species Reticulophragmium rotundidorsatum was found in Sample 985A-59X, CC, and in the next sample above (-59X-4, 32-37 cm) it is especially common. This species occurs in large numbers at certain horizons. The FO of Psamminopelta gradsteini was observed in Sample 985A-53X-7, 36-40. This occurrence implies a correlation with the Oligocene "Psamminopelta sp. assemblage" observed in the upper Oligocene at Site 643 on the Vøring slope (Kaminski et al., 1990).
  2. Spirosigmoilinella compressa assemblage (985A-49X to 40X, CC)
    A faunal change is observed within Core 985A-50X characterised by the loss of coarsely agglutinated forms. The LO of Hyperammina rugosa was found in Sample 50X-7, 36-40 cm, and in Sample 985A-50X, CC the LO of Psammosphaera fusca was observed. Above Core 985A-50X, the DWAF assemblage is dominated by finely agglutinated taxa. The characteristic species in this interval are Bathysiphon spp., Spirosigmoilinella compressa, Verneuilinoides sp., Cystammina sp., Karreriella siegliei, and Ammodiscus latus.
    The diversity and abundance of DWAF decreases upsection in Hole 985A. A reduction in diversity is observed within the interval from Cores 985A-45X to -43X. The LOs of 12 species are observed within this interval, including Pseudonodosinella elongata, Adercotryma agterbergi, Reticulophragmium rotundidorsatum, Ammodiscus latus, and Haplophragmoides walteri. Many of these last occurrences can be traced to a level within the Oligocene in the North Sea region (Gradstein et al. 1994).
  3. Sparse assemblage with pyritized radiolarians (Core 985A- 39X to 32X)
    In the uppermost part of the studied interval the assemblages contain common pyritized diatom and radiolarian steinkerns. Some authogenic pyrite, as burrow infillings, was also observed. Foraminifera are rare, and consist mainly of Psamminopelta gradsteini in association with rare tubular forms and Recurvoides spp. These findings are in agreement with the observations of Verdenius and Van Hinte (1983) in the Leg 38 DSDP holes (Sites 338, 345, 348, where low diversity assemblages with "Spirosigmoilinella and Spirolocammina" were reported from biosiliceous sediments assigned a late Oligocene to Miocene age.


    Back on top | Introduction | North Atlantic | Beaufort-Mackenzie, Arctic | Western North Atlantic | Eastern Atlantic ODP | Western Tethyan Flysch | Pelagics | Summary

     


     

BEAUFORT-MACKENZIE BASIN, ARCTIC OCEAN

The Cenozoic sedimentary sequences in the Canadian Beaufort-MacKenzie Basin have been studied by D.H. McNeil and collaborators since the early 1980's. Agglutinated foraminifera have been studied from dozens of exploration wells, both onshore and offshore. In a series of papers published in the late 1980's and early 1990's McNeil first documented the largely endemic taxa from the Paleogene. This taxonomic effort culminated in the monograph of McNeil (1997), in which 36 new species of agglutinated foraminifera were described from Maastrichtian-Eocene strata. Schröder-Adams & McNeil (1994a,b) documented the Oligocene to Miocene agglutinated foraminifera from nine wells, representing a range of environments from deltaic to deep marine.

The Cenozoic of the Beaufort-MacKenzie Basin can be divided into three phases based on the foraminiferal assemblages (McNeil, 1989, 1990; 1997). The Paleocene to middle Eocene is dominated by agglutinated taxa of an endemic nature. This fauna resulted from the isolation of the "Arctic Gulf" from the rest of the world ocean. Any connections to the south during the early Paleogene were intermittent, shallow, and only via the Turgai Straits in Siberia. In the second phase, which includes the Oligocene and most of the Miocene, the foraminiferal assemblages are of a mixed calcareous-agglutinated nature, and a number of cosmopolitan species successively appear. This faunal change is probably connected with the opening of the Fram Strait, which provides the only deep-water link to the Norwegian Sea. The third phase (Pliocene to Recent) is characterised by a decline in the diversity of DWAF and a change to predominantly calcareous benthic foraminiferal assemblages.

The cosmopolitan DWAF, comprising about 30 species, are found in four stratigraphic sequences (Fig. 30): The first occurrence of Atlantic immigrants is observed within the Richards Sequence, of late middle Eocene to late Eocene age. These include Psammosiphonella cylindrica, Nothia robusta, Psammosphaera fusca, Ammodiscus tenuissimus, Glomospira charoides, Ammolagena clavata, Spirosigmoilinella compressa, Haplophragmoides carinatus, Budashevaella multicamerata, Recurvoides contortus, Ammosphaeroidina pseudopauciloculata, Adercotryma agterbergi (reported as Insculptarenula subvesicularis), Spiroplectammina navarroana, Reticulophragmium amplectens, and R. rotundidorsatum. Budashevaella multicamerata and R. amplectens can be abundant in the Richards Formation, and abruptly appear just above a level with abundant pyritized diatoms (e.g., the Kadluk O-07 well). As these species are known from neritic facies on the Labrador and North Sea shelves, this event can be interpreted as reflecting the initial establishment of shallow-water connections between the "Arctic Gulf" and the northern Atlantic. The diversity of cosmopolitan species generally increases into the overlying Kugmallit Seguence, of Oligocene age. Incoming species include Ammodiscus cretaceus, A. latus, Pseudonodosinella elongata, Reophax pilulifer, Psamminopelta gradsteini, Ammomarginulina aubertae, Haplophragmoides porrectus, and Cyclammina placenta. The fauna now includes some deep-water forms known from the Norwegian Sea, indicating a deep connection through the Fram Strait. A few species have last occurrences in the Kugmallit sequence, including B. multicamerata and S. navarroana. These species generally range into the MacKenzie Bay Sequence of latest Oligocene to middle Miocene age, but diversity declines toward the top of the sequence. In the deeper part of the basin, a few DWAF species locally range upwards into the Akpak Sequence of late Miocene age (e.g., the Orvilruk O-03 well), where the transition to mostly calcareous benthic foraminifera is observed.

Figure 30. Stratigraphic occurrence of cosmopolitan DWAF in the upper Eocene to Miocene of the Beaufort-MacKenzie Basin, Arctic Ocean (after Schröder-Adams & McNeil, 1994; with taxonomic revisions and additional observations by MAK). Zonal terminology is after McNeil (1997).


Schröder-Adams & McNeil (1994b) recognised three depth-related biofacies within the Oligocene Kugmalit Sequence:

  1. a delta front assemblage with Haplophragmoides carinatus, R. amplectens, Adercotryma agterbergi, and Arctic cyclamminids and trochamminids;
  2. a prodeltaic assemblage with H. carinatus, R. amplectens, A. agterbergi, Trochamminopsis altiformis, and the Arctic endemics Gravellina indistincta and Recurvoides torquis;
  3. a deep basin assemblage with Recurvoides contortus, Reticulophragmium rotundidorsatum, and the Arctic endemics Reticulophragmium projectus, R. torquis, and G. indistincta.

In the overlying MacKenzie Bay sequence, the neritic biofacies are mostly calcareous, but in the deeper wells two DWAF biofacies were observed:

  1. a "muddy shelf assemblage" with S. compressa, A. pseudopauciloculata, R. rotundidorsatum, and species of Recurvoides and Evolutinella; and
  2. a "continental slope" biofacies with Nothia excelsa, P. fusca, Reophax subfusiformis, R. pilulifer, A. pseudopauciloculata, and Arctic species of Recurvoides.

In the wells studied, the last occurrences of the agglutinated taxa were observed to be diachronous, depending on palaeobathymetry, with species extending into younger strata in the basinal sites. This makes the DWAF less suitable for biostratigraphic correlation, but they are good palaeobathymetrical indicators. Nevertheless, the study of Schröder-Adams & McNeil demonstrated that the Arctic served as a refugium for some agglutinated taxa, with some of the familiar species ranging into younger Miocene deposits.


Back on top | Introduction | North Atlantic | Beaufort-Mackenzie, Arctic | Western North Atlantic | Eastern Atlantic ODP | Western Tethyan Flysch | Pelagics | Summary

     


     

WESTERN NORTH ATLANTIC

Abyssal Labrador Sea

ODP Site 647 was drilled at a water depth of 3869 m at 53°19.8' N, 46deg;15.7' W on the Gloria sediment drift, situated on oceanic crust of Anomaly 24 age in the southern Labrador Sea. The site is located ca. 90 km SE of DSDP Site 112 which was studied by Miller et al. (1982). Hole 647A penetrated 580 m of Paleogene sediments. At this locality, DWAF can be tied directly to the standard time scale by means of magnetostratigraphy and calcareous nannofossils (Baldauf et al., 1989). Importantly, this hole recovered a complete section across the Eocene/Oligocene boundary at 290 mbsf. It is thus the only well-dated reference section for this interval in the northern Atlantic, since at most locations the boundary is present as a hiatus. Foraminiferal studies of Hole 647A were based on quantitative analysis of 124 samples that yielded 58 species and groups of DWAF. Based on the stratigraphic ranges of index taxa, Kaminski et al. (1989) subdivided the stratigraphic succession into seven assemblages (Fig. 31):

Figure 31. Stratigraphic occurrence of agglutinated foraminifera in the Eocene to Lower Oligocene of ODP Hole 647. Nannofossil biostratigraphy is from Baldaulf (1989) and DWAF ranges are from Kaminski et al. (1989).


Nothia excelsa - Abyssammina assemblage (Lower Eocene).
This assemblage, characterised by the nominate taxa, consists of DWAF and calcareous benthics within a Subbotina patagonica foraminiferal ooze typical of Zones P7-P8. Backtracking estimates give a palaeo-depth of 1700 - 2000 m for this assemblage. Nothia excelsa dominates the agglutinated component along with other tubular forms. Ammodiscus nagyi, Subreophax scalaris, and Hormosinella distans are also common. Other characteristic species include Caudammina ovula, Spiroplectammina navarroana, and Karrerulina coniformis, and K. conversa.

Glomospira assemblage (Lower to Middle Eocene)
Samples from the 20 m interval in Cores 647A-64R and -65R are completely barren of calcareous fossils, and the DWAF are present in a "Glomospira facies". The most common species in this assemblage are Glomospira irregularis, G. charoides, A. cretaceus, which collectively comprise as much as 60% of the assemblage. Also present are K. coniformis, Trochamminoides spp., and H. walteri. The base of the assemblage lies within Zone NP13, and its top is within Zone NP15. A sharp peak in Karrerulina conversa is observed at the top of the assemblage. This event is interesting, as we have also observed an acme in K. conversa in the lower Eocene of the North Sea, Morocco, and Poland in the same relative position. However, the chronology of this event is not well constrained. Backtracking indicates the CCD in the Labrador Sea had risen to a level above 2,500 m during the deposition of the "Glomospira facies".

Reticulophragmium amplectens - Nuttalides truempyi assemblage (middle Eocene)
The assemblage in calcareous claystones in Cores 647A-63 to -47 consists of between 40 and 80% agglutinated taxa. The dominant taxa are tubular forms, with common Recurvoides sp. and Reticulophragmium amplectens. The latter comprises up to 8% of the total fauna. In Poland and the North Sea, R. amplectens tends to be most abundant in the early part of its range, and this is confirmed at Site 647. Within this interval the FO of Ammodiscus latus and the LOs of Spiroplectammina navarroana and A. nagyi are observed. The middle Eocene age of this interval is confirmed by the LO of Acarinina spp. in Sample 647A-49R-1, 118-121 cm.

Spiroplectammina spectabilis - Spirosigmoilinella compressa assemblage (middle to upper Eocene)
This interval is delimited by the partial range of S. compressa, from its FO in Core 647A-46-5 to the FO of Duquepsammina cubensis in Core -43-3. Psamminopelta gradsteini is also observed. The foraminiferal assemblage is characterised by the acme of Spiroplectammina (S. spectabilis and S. trinitatensis), which comprise 25-30% of the assemblage. The co-occurrence of the two species of Spiroplectammina in the same samples confirms that they are indeed different species. The interval corresponds to the upper part of Nannofossil Zone NP17. The LO of K. conversa was observed at the top of this interval.

Duquepsammina cubensis - R. amplectens assemblage (upper Eocene)
This interval is characterised by the concurrent range of the two nominate taxa, and corresponds to the bulk of the Late Eocene. The FO of D. cubensis was observed in Core 647A-43-3 at approximately the same level as the Last Common Occurrence of S. spectabilis. Within this interval, there is a gradual transition from a DWAF-dominated assemblage to a calcareous-dominated assemblage in the Oligocene, and the diversity of DWAF declines throughout the interval. This is particularly evident in Cores 647A-32 and -31, which contain the LOs of 10 agglutinated taxa. The age model for Hole 647A places the Eocene/Oligocene boundary at approximately 290 mbsf, within Core -31. This core contains the LOs of Conglophragmium irregularis, Glomospira serpens, Saccammina grzybowskii, Subreophax scalaris, Ammolagena clavata, Spiroplectammina spectabilis, R. amplectens, and Recurvoides spp. The highest occurrence of the late Eocene calcareous nannofossil Discoaster barbadiensis was found in Core 647A-30,CC.

Ammodiscus latus - Turrilina alsatica assemblage (lower Oligocene)
The interval from Core 647A-31-1 to -27R-1 contains the concurrent range of the nominate taxa. The FO of T. alsatica coincides with the LO of R. amplectens in Sample -31-1, 133-135 cm. The assemblage is characterised by just a few remaining DWAF, such as G. charoides, G. irregularis, Bathysiphon sp., A. cretaceus, Reophax sp., and D. cubensis. Most of the specimens show a noticable reduction in size. The LO of A. latus is observed at the top of this interval. The LO of the planktonic foraminifer Turborotalia ampliapertura was found in Sample 647A-27R-1, 78-83 cm, indicating the top of planktonic foraminiferal Zone P20.

Turrilina alsatica - Spirosigmoilinella assemblage
Above Core 647A-27R, the assemblages are depauperate, and washed residues contain mainly biosiliceous debris. The most characteristic species in this assemblage is Spirosigmoilinella compressa, accompanied by Psamminopelta gradsteini, Cribrostomoides subglobosus, and Rhabdammina sp.

The biostratigraphical record of Hole 647 is exceptional because it provides the only direct calibration of first and last occurrences of oceanic DWAF to standard chronostratigraphy by means of a well-constrained age model. The upper Eocene portion of the record is particularly good owing to the presence of magnetostratigraphy. Moreover, it is the only site in the northern Atlantic with a complete and well-constrained Eocene/Oligocene boundary. Our studies of Hole 647A have confirmed earlier findings (e.g., Van Couvering et al., 1981; Olszewska, 1983) that the Eocene/Oligocene boundary interval was a time of significant faunal turnover among benthic foraminifera. Even more encouraging is the fact that acmes in species such as N. excelsa, Trochamminoides spp. Glomospira spp., K. conversa, R. amplectens, Spiroplectammina spp., and A. latus are also known from the Carpathians (Grzybowski, 1898; Jurkiewicz, 1967, Olszewska, 1997), the Iberian Abyssal Plain (Kuhnt & Collins, 1996), and the flysch units of northern Morocco (Kaminski et al. 1997), thus giving the potential for more detailed correlation.

Biogeographically, the deep Labrador Sea served as a refuge during the Eocene for a number of species that disappeared earlier along the Labrador Margin. Palaeobathymetrically, it was the deepest site in the northwestern Atlantic, thus giving unique insight into the nature of the Eocene abyssal biofacies. Species such as Ammodiscus nagyi, Glomospira serpens, Psamminopelta gradsteini, D. cubensis, and S. trinitatensis, for example, are not known from the Labrador Margin.


Southern Trinidad

The Foraminifera from Lizard Springs, Trinidad, were originally studied by Cushman & Jarvis (1928, 1932) and by Cushman & Renz (1946, 1947). In the early studies, the formation was subdivided into a lower and upper zone based on the occurrence of Rzehakina. Both zones were originally assigned a Cretaceous age (Maastrichtian to Danian), but were later assigned a Paleocene age by Bolli (1952) and Brönnimann (1952) based on studies of planktonic foraminifera. Beckmann (1960) tabulated the ranges of benthic foraminifera from the Guayaguayare and Lizard Springs Formations and was able to show that at least some of Cushman's samples contained a mixture of Paleogene species and reworked elements from the Cretaceous. In a revision of the DWAF from Lizard Springs, Kaminski et al. (1988) documented 105 taxa from the Campanian - Lower Eocene of the Lizard Springs area, and plotted the stratigraphic ranges of 81 common species.

For the purpose of this study, we examined seven additional samples from the middle to late Eocene Navet and San Fernando Formations. The chronostratigraphy of these samples has been discussed by McCabe et al. (1993). The revised range chart for the Guayaguayare and Lizard Springs Formations is presented in figure 32.

Figure 32. Stratigraphic occurrence of common agglutinated taxa in the Guayaguayare, Lizard Springs, and Navet Formations of southern Trinidad, modified and revised from Kaminski et al. (1988), with new observations from the middle to late Eocene. Foraminiferal zonation follows the scheme established by Bolli (1966) in Trinindad.


The DWAF assemblages from the Guayaguayare Formation display moderate to good preservation and are generally not compressed. The lower part of the formation (lower Maastrichtian) is dominated by simple, coarsely agglutinated species of astrorhizids, saccamminids, and hormosinids. The most common forms are Nothia excelsa, Rzehakina (mostly R. lata and R. minima), Saccammina grzybowskii, Hormosina trinitatensis, Karrerulina conversa, Ammobaculites spp. and Spiroplectammina spectabilis. The species Hyperammina dilatata, Ammodiscus cretaceus, A. glabratus, A. pennyi and A. tenuissimus, Reophax globosus, R. subfusiformis, Caudammina ovuloides, Subreophax scalaris, Ammobaculites jarvisi, Lituotuba lituiformis, Recurvoides nucleolus, Trochamminoides subcoronatus and Remesella varians are also present in the lower Guayaguayare Formation. Higher in the formation, assemblages are more similar to those in the overlying Lizard Springs Formation. In the A. mayaroensis Zone, N. excelsa, Rhizammina spp., S. grzybowskii, and Hormosina trinitatensis are the most common forms. Also making a first appearance at this level are Placentammina placenta, Glomospira diffundens, Kalamopsis grzybowskii, Hormosina velascoensis, Cribrostomoides trinitatensis, Conglophragmium irregularis, Ammosphaeroidina, and Spiroplectammina navaroanna.

In the overlying Lizard Springs Formation, the DWAF are again dominated by astrorhizids. Ataxophragmiids are common at the base of the formation, whereas spiroplectamminids, rzehakinids, ammodiscids, and hormosinids increase in relative abundance towards the upper part. However, the abundance of calcareous-cemented agglutinates in the Danian is largely attributed to redeposition by turbidites (see discussion under Palaeoecology). Species that display FO's near the base of the formation (within the "R. epigona Zone" of Bolli, 1957) include Glomospira serpens, G. irregularis, Caudammina ovula, Budashevaella multicamerata, Buzasina pacifica, Haplophragmoides porrectus, H. stomatus, Popovia beckmanni, P. elegans, Ammoanita ruthvenmurrayi, and Conotrochammina whangaia. Assemblages from the upper Danian contain fewer astrorhizids, and in Zone P2 specimens are stained green. The first appearance of primitive Reticulophragmium (forms referred to R. garcilassoi), and Glomospira glomerata is observed higher in the Danian, in Zones P1c-d and P2. Spiroplectinella dentata is restricted to the Danian. Samples from the Upper Paleocene are dominated by Placentammina placenta, N. excelsa, K. conversa, T. altiformis, and species of Glomospira. Distinctive forms include large, typical specimens of H. walteri (in contrast to the small Danian specimens), C. whangaia with an open umbilicus, and the FO of Reticulophragmoides jarvisi is observed in Zone P4.

A number of LO's are observed near the top of the lower Lizard Springs formation, which is separated from the upper Lizard Springs Formation by a probable hiatus that approximately corresponds to the Paleocene/Eocene boundary interval. The following species are restricted to the Paleocene: H. dilatata, A. pennyi, G. diffundens, G. irregularis, Rzehakina spp., C. ovuloides, T. proteus, B. trinitatensis, H. porrectus, H. glabrus, P. beckmanni, C. whangaia, A. ruthvenmurrayi, and all of the calcareous-cemented ataxophragmiids.

The Lower Eocene assemblages found within the upper part of the formation display considerably lower diversity, and contain noticably larger proportions of calcareous forms. The DWAF are dominated by astrorhizids and lituolids. Species that have FO's in the lower Eocene are Karrerulina coniformis, and Reticulophragmium intermedium (reported as "the lower Eocene morphotype of R. cf. garcilassoi" by Kaminski et al. 1988).

The Middle Eocene Navet Formation contains even lower diversity of agglutinated foraminifera. Large, typical specimens of R. amplectens are present in our sample from Zone P11. This sample also contains the FO's of Spiroplectammina trinitatensis and Ammodiscus latus. Our samples from Zones P12 and P13 contain abundant spumellarian radiolarians. As a result, the DWAF fauna is depauperate, with only tubular forms and Glomospira. Diversity improves somewhat in the Upper Eocene Hospital Hill Formation.

In general the first appearances of many DWAF in the Campanian to Eocene probably reflect the subsidence history of the area, with greatest palaeo-depths indicated by the Paleocene part of the Lizard Springs Formation. However, several biostratigraphic events can be correlated to other sections in the Atlantic and western Tethys. These include the LO of S. dentata near the top of the Danian, the LO's of R. jarvisi, large H. walteri, and the open morphotype of C. whangaia in the upper Paleocene, the LO's of G. diffundens, A. ruthvenmurrayi, Conotrochammina whangaia, and Rzehakina across the Paleocene/Eocene boundary, and the FO's of K. coniformis and R. intermedium within the lower Eocene.


Back on top | Introduction | North Atlantic | Beaufort-Mackenzie, Arctic | Western North Atlantic | Eastern Atlantic ODP | Western Tethyan Flysch | Pelagics | Summary

     


     

EASTERN ATLANTIC ODP SITES

Côte d'Ivoire-Ghana Transform Margin

Upper Cretaceous agglutinated foraminiferal assemblages from ODP Hole 959D reflect the subsidence history and palaeoceanography of the widening equatorial Atlantic gateway. Five benthic foraminiferal assemblages were recognised by Kuhnt et al. (1998) (Fig. 33):

Figure 33. Stratigraphic ranges of marker species of agglutinated foraminifera within Hole 959D, with position of benthic foraminiferal assemblages and paleoceanographical events (modified from Kuhnt et al., 1998).


  1. Santonian and lowermost Campanian assemblages (Cores 159-959D-65R and 64R) are characterised by the occurrence of bathyal calcareous benthic foraminifera with an increasing proportion of agglutinated foraminifera. The disappearance of calcareous foraminifera and assemblages exclusively composed of organically cemented agglutinated forms in section 159-959D-65R-3 reflects the subsidence of the seafloor below the CCD.

  2. A Lower Campanian "biofacies B" assemblage (Cores 159-959D-63R to 61R) is exclusively composed of low diversity agglutinated foraminifera, accompanied by abundant and occasionally well-preserved radiolarian assemblages.

  3. Middle Campanian to upper Maastrichtian deposits (Cores 159-959D-59R to 49R) contain an exclusively agglutinated Rzehakina epigona biofacies, that is well known from middle to deep bathyal sites along the North Atlantic margins. The first occurrences of Rzehakina epigona (Core 60R, Section 5) and Hormosina velascoensis (Core 60, Section 2) are typical for the Campanian. The first occurrences of these species are correlative with the base of the lower Campanian C. gigantea - U. jankoi overlap Zone in the North Atlantic and western Tethys (Kuhnt et al., 1992). In Sample 159-959D-48R-6, 28-31 cm the last occurrence of Caudammina gigantea is observed. This species is the zonal marker of the middle Campanian-Maastrichtian Caudammina gigantea Zone, which is generally recognised in deep water sequences of the North Atlantic and western Tethys (Geroch & Nowak, 1984; Moullade et al., 1988).

  4. Quantitative changes in benthic foraminiferal composition were observed across the K/P boundary within Cores 159-959D-48R and 159-959D-49R. The main changes are: (1) a decrease in abundance and finally the last occurrence of Caudammina gigantea in Sample 159-959D-48R-6, 28-31 cm; (2) a general decrease in epifaunal detritus feeders, indicating moderate to high organic carbon flux; (3) a drastic increase in the relative abundance of the genus Spiroplectammina within Section 159-959D-48R-4. This change in agglutinated foraminiferal assemblages corresponds to the Tethyan early Paleocene "Spiroplectammina event" (Kuhnt & Kaminski, 1996).

  5. A diversified Paleocene "Lizard Springs type" assemblage with diverse Rzehakina, Saccammina, Haplophragmoides species as well as Reticulophragmoides. Assemblages from Core 159-959D-48R to 44R display high species diversity, and reflect deepest (lower bathyal to upper abyssal) palaeobathymetry. A late Paleocene (Selandian/Thanetian) age is based on the first occurrence of Reticulophragmoides jarvisi in Sample 44R, CC. The FO of this species has been observed in the lower part of the upper Paleocene at several localities in the Atlantic and North Sea (Gradstein & Kaminski, 1989). Typical late Paleocene specimens of this species were found in Sample 959D-43R-1, 28-32 cm. Other species that characterise the upper Paleocene include a large Paleogene form of Haplophragmoides walteri (FO in Sample 959D-47R-1, 19-22 cm), Glomospira diffundens (FO in Sample 959D-44R-06, 30-33 cm), Ammoanita ruthvenmurrayi (in Sample 959D-43R, CC), and the late Paleocene morphotype of Conotrochammina whangaia with more open coiling and a deep umbilicus. The presence of Rzehakina fissistomata (the index taxon of the Paleocene R. fissistomata Zone of Geroch & Nowak, 1984) in Hole 959D suggests faunal similarities with the upper Paleocene of the western Tethys. However, equally important in this respect is the near absence of Annectina grzybowskii, a form that is common in the Paleocene throughout the Carpathian region. Only a single occurrence of this species was observed.

In summary, the stratigraphical ranges of agglutinated foraminiferal index species and the occurrence of recognisable palaeoceanographic events at Site 959 are nearly identical to those observed in the North Atlantic and Western Tethys. Three zones from the Carpathian zonation of Geroch & Nowak (1984) were identified: (1) the lower Campanian Uvigerinammina jankoi - Caudammina gigantea concurrent range Zone, (2) the middle Campanian to upper Maastrichtian Caudammina gigantea Zone, and (3) the Paleocene Rzehakina fissistomata/Spiroplectammina spectabilis Zone. These observations lead us to confirm the utility of DWAF for stratigraphic correlation on an ocean-wide scale, and to conclude that a deep water circulation system common to the North and South Atlantic has been active at least since the Santonian.


Iberia Abyssal Plain

The northern Iberian continental rise and Iberian abyssal plain occupy an interesting palaeogeographical position near the junction between the western Tethys and the North Atlantic, and the palaeoceanography of the area is thought to be influenced by deep water of Tethyan origin. Two ODP legs (Legs 149 and 173) visited the area, drilling depth transects of sites from the Iberian continental rise to the abyssal plain. The present-day water depth of the ODP sites is in excess of 5,000 m, and the Upper Cretaceous to Eocene sediments recovered from the holes consist mostly of red clays deposited below the CCD. Calcareous claystones were recovered at two sites (Holes 1067A and 1068A.

Initial investigations of the agglutinated foraminifera from the Leg 149 holes were carried out by Kuhnt & Collins (1996). These authors reported sparse and poorly preserved DWAF assemblages from Holes 897C, 897D, 899B, and 900A. In spite of the sparse assemblages from these holes, the biostratigraphical results were encouraging, and showed a good degree of similarity between Iberia and the western Tethys. Paleocene assemblages from Holes 897C, 897D, and 900A contain the index taxa Caudammina ovula and C. ovuloides, as well as some typical forms known from the Tethys, such as Aschemocella carpathica, A. grandis, Placentammina placenta, and very rare Rzehakina. The lower Eocene in all three holes was characterised by a maximum in Glomospira (mostly G. charoides), followed by the first occurrence of Reticulophragmium amplectens. In Holes 897D, 899B, and 900A, this species dominates in samples assigned a middle Eocene age. The middle to upper Eocene in Hole 899B additionally contained the index species Pseudonodosinella elongata. Kuhnt & Collins concluded that the succession of index taxa and assemblages found at the Leg 149 sites bear striking similarities to the Alpine-Carpathian and western Mediterranean occurrences, suggesting a deep water mass connection between the western Tethys and the Iberian Abyssal Plain.

ODP Leg 173 drilled a transect of four sites (1067 to 1070) along an east-west bathymetric transect in the southern Iberia Abyssal Plain. At all four sites the Upper Cretaceous to Eocene sediments are dominated by fine-grained turbidites, interbedded by noncalcareous greenish or reddish hemipelagic claystones. The key feature of these sites is that a reliable calcareous nannofossil biostratigraphy was established based on the study of the calcareous turbidites (Whitmarsh et al., 1998). This enabled Kuhnt & Urquhart (2001) to directly calibrate the DWAF biostratigraphy in terms of the standard calcareous nannofossil biochronology.

Hole 1067A recovered a 120 m succession of lower to middle Eocene sediments ranging from Nannofossil Zone NP11 to NP15. The base of the studied interval corresponding to Zones NP11-13 contain common Glomospira charoides, Glomospira irregularis, Karrerulina conversa, Nothia robusta, and Recurvoides spp, with rare occurrences of Spiroplectammina spectabilis (Fig. 34). The FO of Reticulophragmium ex gr. amplectens was observed in Core 1067A-5R, corresponding to the lower part of Zone NP15 (CP13b). The interval with common R. amplectens is restricted to Cores 1067A-5R and -4R. Above this level the DWAF assemblages are sparse and consist mainly of tubular forms.

Figure 34. Stratigraphic ranges of agglutinated foraminifera in ODP Hole 1068A in the Iberian Abyssal Plain, modified from Kuhnt & Urquhart (2001).


Hole 1068A recovered a stratigraphically more complete sequence, ca. 150 m thick, ranging in age from Maastrichtian to middle Eocene. The DWAF recovered at the base of the studied section were diverse, but abundance declined towards the top, with some barren samples. Kuhnt & Urquhart recognised over 50 species and taxonomic groups in this hole and described a succession of four DWAF assemblages (Fig. 35):

Figure 35. Summary stratigraphic distribution of agglutinated foraminifera in ODP Hole 1069A, Iberian Abyssal Plain, modified from Kuhnt & Urquhart (2001).


  1. a Maastrichtian assemblage with Caudammina ovula and C. gigantea, which also contained rare calcareous-cemented taxa such as Spiroplectinella dentata, S. subhaeringensis, and species of Arenobulimina, Dorothia, and Gaudryina. This assemblage compares well with the so-called "Crescent Peaks Member fauna" of middle-late Maastrichtian age found in western Atlantic DSDP Sites (e.g., Hemleben & Troester, 1984).
  2. a Paleocene assemblage dominated by species of Recurvoides, Paratrochamminoides, and tubular forms, with rare Rzehakina epigona and Caudammina ovuloides. Glomospira and tubular forms N. excelsa and N. robusta increase in abundance toward the top of this interval, within Zones CP8 and CP9a. The LOs of C. ovuloides, R. epigona, Paratrochamminoides heteromorphus, Conglophragmium irregularis, Trochamminoides proteus, Placentammina placenta, and Hormosina velascoensis are observed in Core 1068A-9A, within Zone CP8. The Paleocene/Eocene boundary interval is probably within Core 1068A-7R approximately at a level of reduced DWAF diversity dominated by the genus Nothia.
  3. a second maximum in Glomospira is observed within Cores 1068A-6R and -5R, corresponding to Zones CP9b to the lower part of Zone CP11. Karrerulina conversa is common near the base of this interval, and K. coniformis becomes the dominant species towards the top of the interval in Zone CP11. The interval from the middle of Core 1068A-4R to the middle of Core 1068A-2R corresponding approximately to Zone CP12a is barren of foraminifera.
  4. a sparse assemblage with Recurvoides, Glomospira, and Karrerulina occurs at the top of the studied section, and is assigned a middle Eocene age (Subzone CP12b) based on calcareous nannofossils.

Hole 1069A recovered 150 m of upper Campanian to middle Eocene sediments containing a succession of DWAF assemblages that is essentially similar to that at Site 1068. However, the sequence differs in some important details: (1) an interval with common Spiroplectammina spectabilis is observed within Core 1069A-12R. This event may correlate with a similar acme observed just above the K/P boundary at Caravaca Spain (Coccioni & Galeotti, 1994), at Gubbio (Kuhnt & Kaminski, 1996) and at ODP Site 959 (Kuhnt et al., 1998). (2) the reduction in diversity across the Paleocene/Eocene boundary interval is even more pronounced, with the loss of C. ovuloides, Hyperammina elongata, Ammodiscus cretaceus, Glomospira serpens, Aschemocella carpathica, Paratrochamminoides spp., Conotrochammina sp. and Ammosphaeroidina. A few of these forms behave as Lazarus taxa, eventually re-appearing higher in the core. Again, the base of the Glomospira interval in this core overlaps with the Terminal Paleocene Extinction Event. The Middle Eocene assemblage above the Glomospira interval is of low diversity and does not contain any index taxa.

Hole 1070A is deepest site in the Iberian transect, and recovered a condensed sequence, only 50 m thick, spanning the interval from the upper Cenomanian to the upper Eocene. Of interest here are the DWAF assemblages from Cores 1070A-1R and -3R which are of Paleogene age. The DWAF assemblages are of lower diversity compared with the shallower sites, and the main difference observed here is the FOs of Reticulophragmium amplectens and Pseudonodosinella elongata in Core 1070A-2R, just above the Gomospira maximum, and the occurrence of Ammodiscus latus in Core 1070A-1R.

The Iberian Abyssal Plain is a key locality for the biostratigraphy of the North Atlantic DWAF. It is the only locality where their stratigraphic ranges have been calibrated directly to the standard calcareous nannofossil biochronology, and it is also the only place where the stratigraphic succession of the well-known Tethyan acmes and events (i.e., LO of C. gigantea; the basal Paleocene S. spectabilis acme; the terminal Paleocene extinction; lower Eocene Glomospira event; Karrerulina acme; R. amplectens acme, FO of P. elongata) have been observed in their proper stratigraphical order. The faunal composition is virtually identical to the Alpine-Carpathian faunas, but shows difference to the Caribbean assemblages, suggesting a strong Tethyan influence at this locality (Kuhnt & Collins, 1996; Kuhnt & Urquhart, 2001). However, the unexplained erratic occurrence of some of the index taxa such as S. spectabilis and R. amplectens and absence of others (e.g., R. rotundidorsatum) indicates that other factors (ecological or preservational) also played an important role in the area.


Back on top | Introduction | North Atlantic | Beaufort-Mackenzie, Arctic | Western North Atlantic | Eastern Atlantic ODP | Western Tethyan Flysch | Pelagics | Summary

     


     

WESTERN TETHYAN FLYSCH-TYPE ASSEMBLAGES

Carpathians

The Carpathian mountain belt of Central Europe is the cradle of agglutinated foraminiferal research. In the Outer Flysch belt, the biostratigraphy of agglutinated foraminifera has been studied for more than a century. Grzybowski (1898b) first constructed an informal biostratigraphical scheme for the Potok Oil Field in the Silesian Unit near Krosno. In the subsurface of the Potok Field, Grzybowski recognised five "zones" that can be used to correlate the Paleocene to Eocene flysch units beneath the so-called "Globigerina marls". These five zones were named after characteristic (common) agglutinated taxa and comprise (in statigraphic order): the "Reophax grandis Zone", the "Dendrophrya robusta Zone", the "Trochammina Zone", the "Reophax placenta Zone" and the "Cyclammina amplectens Zone". These agglutinated foraminiferal horizons are, in turn, overlain by what Grzybowski called the "Globigerina horizon". For many years, the informal terms "Cyclammina amplectens beds" or "Trochamminoides beds" have been widely used by Carpathian geologists. In fact, some of Grzybowski's "zones" have been recognised throughout the Carpathians from Austria to Romania. In the section below, biostratigraphical studies in the various Carpathian flysch basins are discussed in order from west to east.

a. Czech Republic and Slovakia
Foraminiferal studies of the Cretaceous and Paleogene flysch units of the Western Carpathians in Moravia had their origins with the work of Anton Rzehak (1887, 1895), who listed numerous new species and collaborated with Grzybowski. Biostratigraphical research in Czechoslovakia was carried out after the Second World War by researchers at both the Geological Survey and at Charles University. Among the most important early papers are numerous studies by Vladimir Pokorný. Eva Hanzlíková, and Miroslav Vašícek (see tables in Introduction). In Slovakia, the work of Ondrej Samuel (1977) stands out as an important taxonomical contribution.

An early biostatigraphical study that described the characteristic Paleogene foraminiferal assemblages of the Outer Carpathians in the Tesin (Cieszyn) District was carried out by Homola & Hanzlíková (1953). These authors recognised 13 assemblages in Paleocene to Eocene strata, which were referred to as "zones", though no formal zonal subdefinitions were given (Fig. 36). The older (Paleocene to Middle Eocene) of these "zones" were based on agglutinated foraminifera, while in the upper part of the stratigraphical succession planktonic foraminifera were used. The "zones" of Homola & Hanzlíková share much in common with the schemes published by the Polish biostratigraphers (see below), as the outer tectonic units in the Tesin district form the continuation of the Silesian Unit described from Poland. Homola & Hanzlíková recognised Paleocene assemblages with Rzehakina spp. and Remesella varians; a Paleocene-lower Eocene assemblage with Caudammina; Lower Eocene assemblages containing Trochamminoides, large Reophax, and ammodiscids; and a succession of Middle Eocene assemblages with Haplophragmoides suborbicularis and Recurvoides, and cyclamminids.

Figure 36. Assemblage zones from the western Carpathians in the Czech Republic, from Homola & Hanzlíková (1953), and Pokorný (1960).


Alongside the work of Homola & Hanzlíková is the study of Pokorný (1960), who published a preliminary biostratigraphic scheme for the Internal (Magura) Flysch Unit in Czechoslovakia. Pokorný subdivided the Upper Senonian to Middle Eocene into four broad assemblage zones, and provided a range chart listing the stratigraphical ranges of 15 agglutinated taxa. The Upper Senonian to Paleocene interval (undivided) was subdivided into two zones: a lower zone known as the "beds with Rzehakina epigona" and an upper horizon called "beds with Rzehakina complanata, R. inclusa, Hormosina excelsa, and abundant Saccammina placenta". This overlying Lower Eocene interval was left unnamed, and the middle Eocene was referred to as the "beds with Cyclammina amplectens".

In the marginal (external) units of the Outer Flysch Zone closest to the Bohemian Massif, Paleogene marine sedimentation took place mainly above the CCD. In the Subsilesian-Ždánice Basin, sediments are mostly marly, and typical flysch is practically absent. In this unit, planktonic foraminifera and calcareous nannofossils provide a basis for stratigraphical correlation. Planktonic assemblages in the Subsilesian-Ždánice sediments range in age from Turonian to Lower Oligocene. In the more internal Silesian Basin the stratigraphic succession largely consists of noncalcareous flysch turbidites, but planktonic foraminifera do occur in four discrete intervals, corresponding to Zones P4, P6, P11, and P13 (Hanzlíková, 1983). Although she did not establish any formal zonation scheme using agglutinated foraminifera, the work of Hanzlíková (1983) stands out as the first attempt to calibrate the ranges of DWAF to the global standard in the Subsilesian-Ždánice and Silesian Basins. Hanzlíková's range chart of agglutinated taxa is reproduced in figure 37.

Figure 37. Stratigraphic ranges of marker species of agglutinated foraminifera (and one radiolarian) in the Paleogene of the external flysch units of Moravia (Czech Republic), after Hanzlíková (1983). Taxonomy of DWAF is updated according to this work. Chronostratigraphy and planktonic foraminiferal zonation is updated according to Berggren et al. (1995).


Several of the DWAF ranges recorded by Hanzlíková are of interest to this study. The lower Danian in the Moravian Carpathians is based on the occurrence of Parasubbotina pseudobulloides. This zone still contains Caudammina gigantea (reported as Pelosina caudata by Hanzlíková), which is thought to become extinct at the C/P boundary elsewhere. However, the distinction between C. gigantea and C. ovula can be subjective, and this report requires verification. The LO of Caudammina excelsa is reported in the overlying S. trinitatensis Zone, alongside the radiolarian Cenosphaera lenticularis (Grzybowski). The Upper Paleocene sediments in the Subsilesian-Ždánice Basin and in the more internal Silesian Basin contain assemblages with planktonic foraminifera. The FO of Spiroplectammina spectabilis is observed within Zone P4, and the FO of Karrerulina coniformis is reported from Zone P5. In the largely noncalcareous turbidite sequences of the Magura Basin, Hanzlíková reported an assemblage with abundant diverse Glomospira associated with the thick-bedded Ciezkowice Sandstones, assigned a "latest Paleocene" age.

The lower Eocene M. subbotinae Zone is recognised in Moravia, and is associated with the FO's of Spiroplectammina navarroana, and Reophax pilulifer. Hanzlíková noted an acme of Karrerulina within the M. formosa - M. aragonensis Zones (undifferentiated) in the Magura Basin. This Karrerulina event appears to be a useful correlation horizon throughout the western Tethys, having been observed in Morocco, Italy, and in North Atlantic ODP sites. Within the M. aragonensis Zone, Reophax pilulifer becomes more common and the FO of Reticulophragmium amplectens is observed.

The basal Middle Eocene is difficult to determine in Moravia, as hantkeninids are very rare and are only found in the Subsilesian Unit. Zone P10 is based on the occurrence of Acarinina densa, A. pentacamerata, and M. aragonensis, and correlates to the appearance of abundant R. amplectens. Higher within the Middle Eocene (Zone P14), the abundance of R. amplectens declines, and a maximum in Praesphaerammina subgaleata is observed.

The Upper Eocene is mostly comprised of green, non-calcareous claystone in the external units, and contains assemblages with Reticulophragmium rotundidorsatum, Reticulophragmium acutidorsatum, Lituotuba lituiformis, and abundant Rhabdammina. This unit is in turn overlain by the ubiquitous "Globigerina Marls", providing a correlation horizon for the Eocene/Oligocene boundary.

b. Poland
After the Second World War, biostratigraphical research was concentrated in the oil fields near Krosno, in the region known as the "Central Carpathian Depression". Preliminary biostratigraphic schemes of DWAF in the Silesian basin were presented by Geroch (1959), Jurkiewicz (1967), Hiltermann (1975), and Morgiel & Olszewska (1981). In the more internal Magura Basin, Jednorowska (1968, 1975) recognised biostratigraphic subdivisions of the Paleogene flysch beds, while in the more external Skole Basin the stratigraphy of agglutinated foraminiferal assemblages was discussed by Morgiel & Szymakowska (1978). All of these authors reported the ranges of index taxa and described characteristic assemblages in Paleogene strata.

A formal zonation based on first and last occurrences of taxa was proposed by Geroch & Nowak (1984), based on their studies of the Silesian Basin. These authors established seven partial-range or interval zones spanning the Paleocene-Eocene interval, which were based on the FO's of characteristic agglutinated taxa. The Upper Cretaceous to Paleocene portion of the Geroch & Nowak zonation is given in figure 38. In spite of the fact that direct calibration to the standard chronostratigraphy was tentative at the time, the zonation can be applied with confidence to areas outside the Carpathians (e.g., Kuhnt et al., 1992; Kuhnt & Kaminski, 1997; Kuhnt et al., 1998).

Figure 38. The Carpathian zonation of Geroch & Nowak (1984) with stratigraphic ranges of the index species. Modified from Ślączka & Kaminski (1998).


An alternative zonation with 23 zones ranging in age from late Jurassic to early Miocene has been proposed by Olszewska (1997). Eighteen of these zones are based upon agglutinated taxa. The biostratigraphical scheme proposed by Olszewska uses some of the interval zones recognised by Geroch & Nowak, but also makes use of characteristic foraminiferal acmes, thereby achieving a greater resolution for some parts of the stratigraphic column. Both zonal schemes have been found to be useful within the Carpathian flysch basins, and several of the acme zones can also be found in other areas of the western Tethys and North Atlantic. The comparison of zonal schemes for the Upper Cretaceous and Paleocene of the Polish Carpathians is presented in figure 39.

Figure 39. Comparison between zonal schemes of Geroch & Nowak (1987) and Olszewska (1997). Modified from Ślączka & Kaminski (1998).


The Caudammina gigantea Total Range Zone was regarded by Geroch & Nowak to represent the mid Campanian to Maastrichtian, while Olszewska places its acme in the late Santonian to early Campanian. In spite of the lack of an independently verified Cretaceous/ Paleogene boundary section in the Polish part of Carpathian flysch, Geroch & Nowak regarded the extinction of C. gigantea to approximate the Cretaceous/ Paleogene boundary. Olszewska, however, reported the species as ranging into the Danian. The extinction of C. gigantea has now been confirmed to coincide with the K/P boundary at ODP Site 959 in the eastern Atlantic (Kuhnt et al., 1998) and this event is assumed to be isochronous. With the exception of the work of Olszewska (1997), we are not aware of any other reports of this species in Paleocene strata.

The Rzehakina fissistomata Zone is understood by Geroch & Nowak to represent the interval between the LO of Caudammina gigantea and the FO of Spiroplectammina spectabilis, while Olszewska to defines the zone based on the acme of R. fissistomata. However, R. fissistomata is known from Maastrichtian strata, and in our experience the species is never common outside the Carpathians.

The Spiroplectammina spectabilis Partial Range Zone of Geroch & Nowak represents the first immigration of the species into the Carpathian flysch basins. Spiroplectammina spectabilis is known from the Maastrichtian in South America, and its first appearance in the western Tethys is closely linked to the Cretaceous/Paleogene boundary event (Coccioni & Galeotti, 1994; Kuhnt & Kaminski, 1996). In Caravaca Spain and in Gubbio, S. spectabilis is one of the species that bloomed after the K/P boundary event. The species in often very common within upper Paleocene strata in the Boreal Realm.

The Paleocene/Eocene boundary in the Carpathians is best approximated by the extinction of rzehakinids and Caudammina, the disappearance of large astrorhizids, and the appearance of a "Glomospira facies" typically found in red claystones. The endemic species Saccamminoides carpathicus Geroch occurs in the lower Eocene in the Carpathians, but the species is typically rare. This species has thus far not been observed outside the Carpathian flysch basins. The S. carpathicus Zone of Geroch & Nowak is best defined as the interval between the LO of Rzehakina fissistomata and other rzehakinids and the FO of R. amplectens. Olszewska (1997) subdivided the Lower Eocene interval into two zones, based on the earliest Eocene Glomospira acme.

The Reticulophragmium amplectens Partial Range Zone is the interval from the FO of the nominate taxon to the FO of Ammodiscus latus, and was correlated by Geroch & Nowak to the lower Middle Eocene. The species is often quite abundant in the Middle Eocene of the Carpathians, leading to the informal designation "Cyclammina amplectens beds", a term used in Carpathian stratigraphy since Grzybowski's day. The base of the zone represents the immigration of R. amplectens into the Carpathians, since the species is known from the upper part of the Lower Eocene in the western Atlantic region. One complication in the use of R. amplectens in Carpathian stratigraphy is the occurrence of its presumed ancestor Reticulophragmium intermedium, which was described from the Lower Eocene of the Ukraine. Geroch & Nowak did not address this problem in their zonation. We have observed R. intermedium in samples of the Lower Eocene red claystones from Biecz, Poland (see remarks under R. intermedium).

The Ammodiscus latus Partial Range Zone is defined as the interval from the FO of the nominate taxon to the FO of Reticulophragmium rotundidorsatum. Ammodiscus latus can be rather common in upper middle Eocene to upper Eocene strata in the Carpathian flysch basins. The species is also known from the Atlantic (Trinidad, Labrador, North Sea), and its FO has been Gulf of Mexico.

The Flysch-type agglutinated foraminiferal facies terminated in the Carpathian basins during the latest Eocene with the deposition of the "Globigerina marls". Tectonic activity in the Oligocene caused the isolation of the flysch basins from the Tethys Ocean, and Oligocene deposition was at times anoxic, analogous to the modern Black Sea.

c. Ukraine
Post-war biostratigraphic research in the region of the Ukrainian Carpathian oil fields was first carried out at VNIGRI by E.V. Mjatliuk, and later by O.S. Vialov and co-workers in Lvov. In her first paper "Stratigraphy of flysch deposits of the Eastern Carpathians in light of foraminiferal faunas", Mjatliuk (1950) published preliminary a biostratigraphic scheme for the Upper Senonian to Oligocene formations that consisted of 13 zones. The Paleocene - Eocene submenilite flysch formations were subdivided into eight zones based largely upon benthic foraminifera. Mjatliuk compared her scheme with zonation developed by Subbotina (1950) for the Caucasus.

The first biostratigraphical summary of the Eastern Carpathian region encompassing the internal and external tectonic units was published by Maslakova (1955). Maslakova's biostratigraphical subdivision of the Upper Cretaceous to Oligocene was based mostly on planktonic foraminifera, but the benthic assemblages were briefly discussed, and a summary range chart was included that gave the ranges of 27 agglutinated species.

In 1970, Mjatliuk published her famous monograph on the Paleogene foraminifera of the Eastern Carpathians, in which she described the assemblages from the three main tectonic units recognised in the Ukraine; the external Skibovaya Zone, the "Krosno Zone" (the extension of the Silesian Unit in Poland); and the more internal Chernogora Zone. The summary biostratigraphical scheme published by Mjatliuk (1970, table 2) relies heavily on planktonic foraminifera and nummulites that are transported downslope into the flysch, but also includes levels with purely agglutinated assemblages. This biostratigraphical scheme was later expanded and refined by Vialov et al. (1984, 1988). The Paleogene biostratigraphic summary for the Ukrainian part of the outer Carpathians published by Vialov et al. (1984) did not establish any formal zones, but the first occurrences of characteristic agglutinated taxa were noted in their discussion of the micropalaeontology of the flysch formations. The Paleogene succession in the southern part of the Ukrainian Carpathians begins with the Vernestryiskaya Formation, which was assigned an early Paleocene age based on the occurrence of Globoconusa daubjergensis and Subbotina triloculinoides. Vialov et al. (1984) noted the occurrence of Caudammina gigantea in the lowermost Paleocene, which is at odds with its stratigraphic range documented elsewhere. The overlying Jaremchanskaya Formation was assigned a late Paleocene age based on the occurrence of Morozovella angulata and M. velascoensis, and contains a more diversified agglutinated assemblage with common Caudammina, Ammodiscus and Haplophragmoides, with C. ovulum replacing C. gigantea. The overlying upper Paleocene Jamnenskaya sandstones contain common tubular forms (Rhabdammina and Nothia), with increasing amounts of Glomospira, Recurvoides, and Karrerulina. The Lower Eocene Manyavskaya Formation consists mainly of greenish gray thinly bedded flysch. At its base the agglutinated assemblage is dominated by tubular forms. Higher in the formation, Vialov et al. (1984) noted a horizon with common Glomospira charoides, G. gordialis, and radiolarians. This horizon passes vertically into a more diverse agglutinated assemblage with Nothia robusta, Karrerulina horrida and Reticulophragmium intermedium. Morozovella aragonensis has been found at this level indicating a correlation with Zone P8-P9.

The Vygodskaya Formation in the southern Ukraine as been assigned a middle Eocene age based on redeposited Nummulites and Globigerapsis. The agglutinated assemblages contains common Ammodiscus, Trochamminoides, and Ammosphaeroidina.

The ovelying Bystritskaya Formation was assigned a late Eocene age by Mjatliuk (1970) based on the occurrence of Globigerapsis index. The agglutinated assemblage in this formation is very distinctive, containing common tubular forms, Reophax spp, as well as Ammodiscus latus, Haplophragmoides walteri, Reticulophragmium amplectens, C. placenta, and R. rotundidorsata. The agglutinated assemblages in the Ukrainian carpathians terminate within the latest Eocene Sheshorskyi Horizon, a planktonic foraminiferal limestone that is the lateral equivalent of the "Globigerina Marls" in Poland. Vialov et al. (1984) pointed out that the Reticulophragmium intermedium - amplectens group is especially useful for correlation within the Eocene.

d. Romania
The Tarcău Nappe and Marginal Folds represent the continuation of the Outer Flysch units in Romania, and are the lateral equivalent of the Skole Unit in Poland and the western Ukraine. The study of deep-water agglutinated foraminiferal assemblages in the Romanian Carpathians commenced with the investigation by Neagu (1962) of the microfauna from Upper Cretaceous red claystones in the Buzău Valley. The stratigraphy and micropalaeontology of the Turonian to Paleocene flysch formations of the Tarcău Unit was documented by Jana Săndulescu (1972), who documented the occurrence of 60 agglutinated taxa. A summary of the Upper Cretaceous to Paleocene foraminiferal associations from the Tarcău Unit was published by Ion-Săndulescu (1976).

The Campanian-Oligocene DWAF assemblages of the Marginal Folds were first described by Bratu (1975) for the 14th European Micropalaeontological Colloquium. Ion (1995) studied the biostratigraphy from Marginal Folds in the Vrancea Halfwindow, and proposed a zonal scheme for this part of the stratigraphical succession.

The stratigraphic succession of Paleogene foraminiferal assemblages is best documented from the Marginal Folds in the area of the Bistriţa Halfwindow, where Bratu (1975) recognised nine assemblages (Fig. 40). The biostratigraphy is constrained by the occurrence of planktonic foraminifera at certain horizons.

Figure 40. Maastrichtian-Eocene foraminiferal associations described from the Marginal Folds Unit of the Eastern Carpathians in Romania (modified from Bratu, 1975). Generic names have been updated according to this atlas.


The Paleocene assemblages of the Marginal folds are diverse, with a typical Carpathian DWAF fauna. In addition to the above-named index forms, the assemblage includes A. clavata, N. excelsa, P. placenta, G, charoides, G. diffundens, A. grzybowskii, H. velascoensis, R. duplex, L. lituiformis, C. irregularis, T. subcoronatus, and Praesphaerammina gerochi. In the uppermost Paleocene, "association 4" also contains Rzehakina fissistomata, Rz. epigona, K. grzybowskii, and and increased proportion of Karrerulina spp.

The Lower Eocene "association 5" is reported to contain N. excelsa, K. conversa, P. placenta, and P. elongata, occurring in noncalcareous green claystones. The FO of R. amplectens is reported to be in "association 6", which contains an admixture of Middle Eocene planktonic foraminifera. The FO of Ammodiscus latus was found in "association 7", also assigned a Middle Eocene age. Interestingly, the Late Eocene association occurring in the Bisericani Formation was reported to be characterised by Spiroplectammina spectabilis. These species N. latissima, N. robusta, R. pilulifer, C. subglobosus, R. walteri, and P. mitratus were also found in this association. This Spiroplectammina assemblage may be correlative to an assemblage found at other Atlantic and western tethyan localities. As with other Carpathian localities, the Paleogene DWAF assemblages are replaced in the latest Eocene by the "globigerina marls" and the early Oligocene menilite shales.


Zumaya Spain

The coastal section exposed along the coast of northern Spain near Zumaya is probably the most complete and expanded section of Upper Cretaceous and lower Palaeogene deep-water sediments in Europe. Studies of the planktonic foraminiferal biostratigraphy (Herm, 1965; Hillebrandt, 1965; Canudo et al., 1995) indicate continuous sedimentation in the coastal section from the lower Campanian to the lower Eocene. In addition, relatively complete Cretaceous/Paleocene and Paleocene/ Eocene boundaries are well exposed in cliff sections and have recently been the topic of detailed foraminiferal studies (Kuhnt & Kaminski, 1993; Ortiz, 1995). Our analysis of 77 samples from the Turonian to lower Eocene succession in the Zumaya section (Kuhnt & Kaminski, 1997) yielded over 95 species and taxonomic groups of deep-water agglutinated foraminifera. A summary of the zonal stratigraphy and stratigraphic ranges of selected index taxa is presented in Near the base of the lower Campanian, the first occurrences of Spiroplectinella ex gr. dentata and Goesella rugosa are observed. This species is found sporadically in samples throughout the Campanian and Maastrichtian. Species diversity increases in the lower part of the middle Campanian when the first consistent occurrence of Caudammina ovula is observed. Diversity again increases in the lower part of the upper Maastrichtian, when many of the typical "flysch-type" organically cemented agglutinated species appear in the section or become more common. One distinctive event is the FO of Remesella varians in the upper Maastrichtian.

The Cretaceous/Paleogene boundary at Punta Aitzgorri is characterised by an assemblage dominated by organically cemented taxa such as Ammodiscus, Aschemocella, Subreophax, Recurvoides, and the tubular forms Bathysiphon and Rhizammina. Significantly, the LOs of Goesella rugosa and Clavulinoides subparisiensis are both associated with this horizon. In the nearby Sopelana section where the K-P boundary interval was studied in greater detail, Kuhnt & Kaminski (1993) reported foraminiferal assemblages within and directly above the boundary clay dominated by infaunal agglutinated species such as Reophax, Subreophax, Ammobaculites and Recurvoides. Immediately above the boundary clay, a Spiroplectammina dominated biofacies characterises the top of the P0 Zone and part of the P. eugubina Zone.

The LO of Spiroplectinella ex gr. dentata is observed in Zone P1b. The Paleocene assemblages above this level are dominated by tubular forms such as Rhabdammina, Rhizammina, Nothia, and organically cemented taxa such as Placentammina placenta, Psammosphaera spp., Recurvoides spp, and Paratrochamminoides spp. A number of first occurrences are observed in the Paleocene. The FO of Spiroplectammina navarroana was observed in Zone P1c, but as this species is known from older strata in other sectors of the North Atlantic, it is likely that its appearance in Zumaya is associated with the change in lithofacies. A stratigraphically significant morphotype of Haplophragmoides that is transitional between Haplophragmoides walteri and Reticulophragmoides jarvisi is first observed in Zone P3b. This H. walteri / R. jarvisi transitional form has also been observed in Zone P4 in the Lizard Springs Formation, and it also occurs in the upper Paleocene of the North Sea, Norwegian Sea, and western Barents Sea. Also occurring at this level is the FO of Dorothia beloides, a species first described from the Paleocene of the Gosau unit in Austria. Surprisingly, the species Spiroplectammina spectabilis is rare in the studied samples, and its FO was not observed until the upper part of Zone P4. Likewise, the genus Rzehakina occurs very rarely in the samples. Both forms are common in the upper Paleocene in Trinidad and in the flysch Carpathians, but their abundance and stratigraphic occurrence is much restricted at Zumaya.

The Paleocene/Eocene transition is represented by a 20 cm thick dark grey shale layer, overlain by 4 m of red clay. The dark grey shale layer represents a dissolution horizon that corresponds to the benthic foraminiferal mass extinction and the delta 13-C shift (Ortiz, 1995), which are used to delimit the P/E boundary in deep sea cores. In his study of the benthic foraminiferal extinction at Zumaya, Ortiz (1995) reported that the total benthic foraminifera diversity drops by 94% (from 74 to 4 species) across the grey shale layer. Below the grey shale layer, the upper Paleocene assemblages contain the typical flysch-type forms such as Gaudryina pyramidata, Dorothia retusa, Clavulinoides amorpha, Remesella varians, S. spectabilis, Cribrostomoides trinitatensis, Placentammina placenta, Hormosina velascoensis, Caudammina ovuloides, and Trochamminoides spp. The extinction of Caudammina spp., Clavulinoides amorpha, C. globulifera, Dorothia retusa, Remesella varians, Rzehakina epigona, and Trochamminoides proteus were observed at or just slightly below the grey shale layer, along with the extinction of numerous Paleocene calcareous benthic taxa. Following the benthic extinction in the interval of low ?13-C values, the agglutinated foraminifera consist of small, thin-walled species of Haplophragmoides spp., Glomospira charoides, and Trochammina spp. Above the dissolution horizon, the lowermost Eocene (upper part of Zone P6a and lowermost part of Zone P6b) agglutinated assemblages are characterised by successive peaks of Karrerulina conversa, Glomospira charoides, and Trochammina spp. Other Eocene survivors include Ammodiscus glabratus, Haplophragmoides walteri, Lituotuba lituiformis, Saccammina grzybowskii, Spiroplectammina navarroana, S. spectabilis, Trochamminopsis altiformis, and Trochamminoides subcoronatus (Ortiz, 1995).

Figure 41. Stratigraphic occurrence of selected agglutinated foraminifera and zonal stratigraphy in the Upper Cretaceous to Paleocene of the Zumaya Section, northern Spain (modified from Kuhnt & Kaminski, 1997).


In summary, the nominate taxa of six of the seven Turonian-Paleocene DWAF zones defined by Geroch & Nowak (1984) in the Carpathians were observed in similar stratigraphic succession at Zumaya (the Ammobaculites problematicus-, Uvigerinammina jankoi-, Goesella rugosa-, Hormosina ovulum gigantea-, and Spiroplectammina spectabilis Zones of Geroch & Nowak). Only the index taxon of the lower Paleocene Rzehakina fissistomata Zone was not observed, however, this zone may be recognised based on alternate criteria (the last occurrence of Goesella rugosa). The benthic foraminiferal extinction at the Paleocene/Eocene boundary is proposed as an alternate criterion to delimit the top of the Spiroplectammina spectabilis Zone.


Numidian Flysch (Rif, Northern Morocco)

One of the few land sections containing well-preserved assemblages of DWAF across the Paleocene/Eocene transition is in the Numidian Talaa Lakrah Flysch of northern Morocco. This series comprises a succession of distal deep-sea turbiditic sediments with thick hemipelagic layers that was deposited within the oceanic gateway between the North Atlantic and the western Tethys. This section enables us to examine faunal changes in a continuous deep-sea setting below the CCD.

We sampled a continuous section within the lower part of the Numidian Flysch sequence in a Numidian subunit known as the Talaa Lakrah Flysch. The Talaa Lakrah Flysch Unit was first defined by Didon et al. (1973), based on the Miocene turbiditic sandstone unit exposed in the Strait of Gibraltar on the northern coast of Morocco approximately 18 km ENE of Tangier, near the village of Talaa Lakrah. The unit consists of Campanian to Miocene deep-water sediments. The outcrop of the Palaeogene portion of the Talaa Lakrah Unit sampled in this study is situated above a retaining wall behind a Moroccan military outpost, immediately west of the mouth of the Lediane valley.

The DWAF assemblages recovered from the Talaa Lakrah samples are generally diverse and show no signs of size sorting. Rare abraded specimens of calcareous benthic foraminifera found in some samples are considered to be redeposited from a shallow bathymetric setting. We recognised a total of 78 species and taxonomic groups, and discriminated five assemblages based on the total ranges and relative abundances of characteristic species and taxonomic groups (Kaminski et al. 1996). The faunal parameters and foraminiferal assemblages are shown in Fig. 42.

Figure 42. Simplified lithologic section of the Palaeocene-Eocene of the Talaa Lakrah section with the stratigraphic extent of the observed benthic foraminiferal biofacies and important assemblage parameters (modified from Kaminski et al., 1996).

Aschemocella-Placentammina placenta assemblage
Samples from the base of the studied section (Samples 1-6) are characterised by common Aschemocella spp. and Placentammina placenta. The abundance of the former taxon reaches 30% in Sample 6. Other common forms include species of Rhabdammina and Paratrochamminoides. In the modern deep ocean tubular taxa are common in turbulent settings affected by deep currents (Kaminski, 1985). Late Cretaceous Aschemocella-dominated assemblages occur mainly in areas with large amounts of fine-grained detrital supply provided by mud-turbidites. High abundances of Aschemocella may reflect high amounts of organic detritus from terrigenous sources.

Trochamminoides/Paratrochamminoides - Recurvoides assemblage
Samples 7-8 are dominated by the Paratrochamminoides and Recurvoides groups. The assemblage consists of numerous individuals and species, many of which are yet undescribed. The abundance of diverse Paratrochamminoides in the lower half of the studied section invites comparison to the Upper Cretaceous red clay environments of abyssal turbidite basins (= Flysch-type, high diversity, Paratrochamminoides-faunas of Kuhnt & Kaminski, 1989). These Late Cretaceous Paratrochamminoides assemblages probably characterised more oligotrophic environments. The Maastrichtian part of the Talaa Lakrah section also contains numerous Paratrochamminoides (Kuhnt & Kaminski, 1989). Although much of the Paleocene to lower Eocene part of the Talaa Lakrah section does consist of reddish-brown sediments, there is a significant influence of detrital material.
The taxonomic composition and stratigraphic position of this assemblage is reminiscent of the "Trochamminoidesschichten" of Majzon (1943) from the Carpathian flysch. Morgiel & Olszewska (1981) recognised an acme of Trochamminoides spp. (inc. Paratrochamminoides s.s.) in the Paleocene of the Polish Carpathians. However, Morgiel & Szymakowska (1978) correlated this acme to the lowermost Eocene. Reddish claystones containing common flattened Pararochamminoides are also known from the lower Eocene Subbotina patagonica Zone (= Zones P7-P8) of the North Sea.

Glomospira - Ammodiscus assemblage
Overlying samples (9 and 10) contain more than 60% ammodiscids (Glomospira, Ammodiscus, and Glomospirella). This assemblage correlates with Glomospira-dominated assemblages observed in other parts of the Atlantic (Kaminski et al., 1989) and western Tethys (Winkler, 1984). The interval is characterised by numerous small specimens of Glomospira spp. and Ammodiscus tenuissimus. A distinctive taxon in this interval is an undescribed species of Glomospira that has very irregular coiling.
The faunal abundance and the average size of specimens in this interval diminish upsection, attaining minimum values in Samples 10 and 11 (
Fig. 42). This agrees with trends in calcareous benthic assemblages in the lower Eocene of the North Atlantic, which are reported to be depauperate (Berggren & Olsson, 1986).

Karrerulina coniformis assemblage
The first occurrence of K. coniformis is observed in Sample 11, which also contains the maximum abundance of the genus. In Zumaya, this species displays a maximum above the P/E boundary, coincident with the maximum in G. charoides (Ortiz, 1995). In Trinidad the first occurrence (FO) of this species was observed in the lower Eocene (Zone P6b), and at Site 647 the species displays a distinct acme in the same relative position, between the Glomospira assemblage and the R. amplectens assemblage.

Reticulophragmoides amplectens assemblage
Samples 12 to 15 are characterised by the common occurrence of R. amplectens, which is a typical form of middle to upper Eocene sediments in the Atlantic and western Tethys. Other characteristic forms in the uppermost part of the section are Pseudonodosinella elongata and Karrerulina coniformis. Geroch & Nowak (1984) reported the range of Pseudonodosinella elongata as middle to upper Eocene in the Polish Carpathians. The ranges of all of these taxa extend to the Eocene/ Oligocene boundary in the North Atlantic (Kaminski et al., 1989).

In summary, the taxonomic affinities and relative succession of benthic foraminiferal assemblages from the Gibraltar gateway are more Tethyan than Atlantic. In particular, diverse Paratrochamminoides and Trochamminoides and the presence of an interval of reddish claystones with Glomospira provide strong links with the Paleocene-Eocene assemblages of the Carpathians. The can be interpreted as faunal evidence for a late Paleocene to early Eocene equivalent of "Mediterranean outflow water", with bottom water flowing from the Western Tethys into the Atlantic as it does today.

Despite the now well-documented Paleocene/Eocene boundary extinction event among calcareous benthic foraminifera, there is surprisingly little taxonomic turnover among DWAF in the Talaa Lakrah section (in terms of species extinctions and originations). At Talaa Lakrah, 13 taxa have last occurrences within the P/E boundary interval (Placentammina placenta, Glomospira gordialis, Annectina grzybowskii, Glomospira sp. 4, Aschemocella carpathica, Aschemocella grandis, Kalamopsis grzybowskii, Paratrochamminoides draco, Paratrochamminoides gorayskii, Conglophragmium irregularis, Paratrochamminoides uviformis, Trochamminoides proteus, Trochamminoides variolarius). Most of these taxa, however, are known to have survived into the Eocene at other localities.

The only first occurrences observed in the sample 5-9 interval are Karrerulina horrida and Subreophax pseudoscalaris. However, changes in the size, abundance, and relative proportions of agglutinated foraminifera across the Paleocene/Eocene boundary interval undoubtedly reflect environmental changes that took place in the western Tethys. Reductions in the abundance and size of DWAF from the Paleocene to the lower Eocene reflect decreased nutrients and/or palaeoproductivity. An early Eocene Glomospira-dominated biofacies can be attributed to a period of well-oxygenated, oligotrophic conditions, probably caused by reduced particulate organic matter flux. The sparse assemblages from oxygenated sediments may be linked to lowered surface water productivity during the early Eocene climatic optimum and/or warm, well-oxygenated deep water masses of possible Tethyan origin. The return to greenish-grey, biosiliceous claystones with successive Karrerulina-dominated and R. amplectens-dominated assemblages signalled the return to a more eutrophic environment.


Indian Ocean - Cauvery Basin

The Cauvery basin is a passive margin basin located along the East Coast of India. Its northern limit is close to Pondicherry, while its southern limit is near Tuticorin. The Archaean Basement complex acts as its westward limit and towards east it extends into the Bay of Bengal, Palk Strait and Gulf of Mannar. The evolution of Cauvery Basin is closely linked with the break-up of Gondwanaland. Basin formation began during Late Jurassic-Early Cretaceous due to rift-drift tectonics, and Cauvery Basin represents an intracratonic down warp. The Cauvery Basin is expected to contain more than 6000m of sediments in its deepest parts, ranging in age from Jurassic to Recent. The Upper Jurassic and Lower Cretaceous to Holocene sedimentary rocks were deposited under varying marine environments. Clastic rocks form the dominant component of the sedimentary fill. The exploratory wells selected for the study of deep water agglutinated foraminifera, Tiruvarur-D (TVR-D), Mudittalam-A (MMAA) and Kamalapuram-G (KMP-G), are located on the flanks of Karaikal Ridge extending into Nagapattinam Subbasin. In all these wells the deep-water agglutinated foraminifera occur within the Kamalapuram Formation (Venkatarengan et al., 1993).

Well MMAA
In the MMAA well, the Paleocene interval occurs between 2340 m and 2180 m and is dominated by shale, containing a diverse DWAF assemblage that displays the best preservation of the three studied wells. The associated planktic foraminifera include Globastica daubjergensis, Subbotina triloculinoides, P. pseudobulloides, M. uncinata, M. angulata, and M. velascoensis representing standard planktonic foraminiferal Zones P1 to P5.
Specimens from this well are silicified with a greenish colouration. In the interval from 2220 - 2225 m, the DWAF assemblage contains Placentammina placenta, Saccammina grzybowskii, Ammodiscus tenuissimus, Glomospira gordialis, Reophax duplex, Caudammina ovula, Caudammina ovuloides, Kalamopsis grzybowskii, Paratrochamminoides olszewskii, Trochamminoides subcoronatus, and Trochamminopsis altiformis, alongside the ubiquitous tubular forms and undertermined species of Recurvoides and Budashevaella. At 2240 - 2224 m, the last occurrences of Ammodiscus peruvianus and Spiroplectammina spectabilis were found. The interval at 2260 - 2265 m contains the highest occurrences of Glomospira charoides, Trochamminoides dubius, T. grzybowskii, Haplophragmoides horridus, H. suborbicularis, and Praesphaerammina gerochi. At 2280 - 2285 m, the LO's of Rzehakina epigona and Glomospira irregularis were observed. The interval from 2300 to the base of the Paleocene interval is even more diverse, with Hyperammina dilatata, Glomospira diffundens, Sculptobaculites barri, Ammosphaeroidina pseudopauciloculata, and Remesella varians.

Well TVR-D
In the TVR-D well, DWAF occur between 2325 m and 2100 m in an interval of Paleocene age, and from 1790 m to 1700 m in the upper Eocene. In the Paleocene where silty shale and minor amounts of sand occur, the DWAF occur in moderate numbers. Associated Paleocene planktic foraminifera include M. praecursoria, P. pusilla pusilla, P. pseudomenardii, and M. velascoensis indicating Zones P1 to P5. The upper Eocene interval comprising carbonaceous claystone and shale is characterised by planktic foraminifera Turborotalia cerroazuelensis cerroazuelensis, T. cerroazuelensis pomeroli, Hantkenina alabamensis representing standard planktic zone P15 to P17.
The DWAF assemblage is similar in composition to that of the MMAA well, but some additional species were observed: At 2140-2145m the assemblage contains Cribrostomoides subglobosus and Karrerulina horrida. At 2170-2175, Karrerulina conversa was found, and the sample at 2190-2195 m contains Trochamminoides proteus and Haplophragmoides stomatus. In the lower part of the Paleocene interval at 2250-2255 m, Conglophragmium irregularis and Glomospira glomerata were found, in addition to the diverse species listed above.

Well KMP-G
In the KMP-G well, DWAF occur in the depth interval 2355 m to 2040 m within the Kamalapuram Formation In the Paleocene the dominant lithofacies comprises shale in the upper part and sandstone and silty shale in the lower part. In these DWAF are generally associated with small sized planktic foraminifera comprising Globanomalina compressa, Parasubbotina pseudobulloides, M. angulata and M. velascoensis, of Zones P2 to P5. The Early Eocene interval is dominated by shale and thin sand layers. The DWAF, though not diverse as in the Paleocene, occur alongside M. formosa formosa, M. subbotinae, M. soldadoensis soldadoensis and M. aequa of Zone P6 to P8. The species Reticulophragmium amplectens occurs frequently in the Eocene of this well and others drilled the Cauvery Basin,

The DWAF assemblages in the three studied wells represent a typical flysch-type assemblage, deposited in a bathyal environment. The assemblages in the lower part of the Paleocene interval are more diverse than in the upper part, suggesting a shallowing-upward trend during the deposition of the Kamalapuram Formation. The striking feature of the Paleocene DWAF assemblage from the Cauvery Basin is the fact that all the species we observed in the three wells are found in coeval deposits from the western Tethyan and Atlantic-Caribbean regions (though in this study no attempt was made at determining the species of Rhabdammina or Recurvoides). Although we searched for signs of endemism in this assemblage, we were able to assign all the DWAF in the examined well samples to taxa previously described from the Alpine-Carpathian region or Trinidad. This finding was at first surprising, considering the fact that India was an island continent in the southern Indian Ocean in Paleocene time, far removed from the Alpine-Carpathian flysch basins. The Paleocene fauna from the offsore Cauvery Basin confirms yet again the cosmopolitan nature of the flysch-type agglutinated biofacies.


Back on top | Introduction | North Atlantic | Beaufort-Mackenzie, Arctic | Western North Atlantic | Eastern Atlantic ODP | Western Tethyan Flysch | Pelagics | Summary

     


     

PELAGIC LIMESTONES (SCAGLIA FACIES)

Contessa Highway Section (near Gubbio, Italy)

The upper Turonian to lower Eocene Scaglia Rossa Formation in the Umbria-Marche Basin consists of regularly bedded pink and reddish limestones interbedded with reddish marly layers deposited under well-oxygenated conditions in a lower bathyal depositional environment (Arthur & Fischer, 1977; Kuhnt, 1990). The Scaglia Rossa is divided into four members (Montanari & Koeberl, 2000): The lower R1 member is characterised by the presence of red chert beds and represents the upper Turonian to Campanian. The R2 member is calcareous and chert-free, and extends to the K/P boundary. This is overlain by a thin noncalcareous boundary clay, and Paleocene to lowermost Eocene marly limestones that have a more intense reddish colour. The P/E boundary is present as a red marly claystone representing a dissolution horizon at 30.5 m above the K/P boundary. The uppermost R4 member of the Scaglia Rossa is characterised by the renewed appearance of reddish chert nodules. The middle to upper Eocene Scaglia Variegata Formation consists of chert-free reddish and greenish marly limestones that become increasingly marly toward the top, where it grades into the overlying Scaglia Cinerea Formation. The Paleocene-Eocene part of the Contessa section, near Gubbio, has been intensively studied for magneto-, chemo-, and biostratigraphy (Luterbacher & Premoli-Silva, 1964; Luterbacher, 1967; Lowrie et al., 1982; Cresta et al., 1989; Corfield et al., 1991). The faunal and floral associations of the Scaglia Rossa mostly consist of calcareous nannofossils and subordinate planktonic foraminifera along with rare benthic foraminifera (mainly DWAF, studied in acid residue). The DWAF assemblages in these limestones are highly diversified and unique, and are termed the "Scaglia-type" facies (Kuhnt & Kaminski, 1989, 1990; Kaminski et al., 1999). These include elements of mixed calcareous- and organically-cemented bathyal assemblages, purely agglutinated "flysch type" forms, and a number of species known from abyssal sequences deposited below the Carbonate Compensation Depth. According to Kuhnt (1990), the agglutinated foraminiferal assemblage of the Scaglia Rossa is indicative of a water depth between 1500 and 2000 m.

The DWAF from the Upper Cretaceous part of the Scaglia Rossa in Gubbio have been studied by Kuhnt (1990), while recolonisation after the deposition of a volcanoclastic layer in the Campanian part of the Scaglia has been documented by Galeotti et al. (2002). The interval spanning the Cretaceous/Paleogene boundary was previously studied by Kuhnt & Kaminski (1996), and the Paleocene-Eocene boundary interval was documented by Galeotti et al. (2000, 2004). For the purpose of this review, we studied samples at variable spacing from the uppermost Maastrichtian to the top of the Scaglia variegata in the Contessa section, thereby continuing the reconaissance study published previously by Kuhnt (1990). Much of this work was carried out by UCL Micropalaeontology students within the framework of unpublished M.Sc. projects. The stratigraphic ranges of common taxa are shown in figure 43.

Figure 43. Stratigraphic ranges of marker species of agglutinated foraminifera studied in acid residues from the Maastrichtian to Eocene in the Contessa Highway section, near Gubbio, Italy. Planktonic foraminiferal and nannofossil biostratigraphy is from Cresta et al., (1989).


The uppermost 2 metres of the Maastrichtian was sampled at 10-cm spacing as part of an M.Sc project (Davies, 2001), and the interval overlying the K/P boundary clay was sampled bed by bed (Kuhnt & Kaminski, 1996). The remainder of the Paleocene was studied at 2-m spacing. We studied 22 samples from the 12-m interval spanning the P/E boundary (Galeotti et al., 2004), and the 25 m of the Lower Eocene from the P/E boundary to 60 m above K/P was sampled at one-metre spacing as part of another M.Sc. project (Emberson, 2003). The remaining part of the lower Eocene to the top of the Contessa section was sampled at 2.5 m intervals, to a level 155 m above the K/P boundary.

The DWAF assemblages from acid residues in the uppermost 2 m of the Maastrichtian are diverse, consisting of 52 species belonging to 24 genera. The assemblage is dominated by the genus Rhizammina (especially Rhizammina indivisa), which comprises up to 56% of the assemblage, although small specimens of Saccammina are dominant (59.5%) in a sample collected 120 cm beneath the K/P boundary. Subreophax spp., Reophax spp., Gerochammina spp., ammodiscids, glomospirids (G. charoides, G. gordialis, G. irregularis), Paratrochamminoides olszewskii, Recurvoides contortus and Spiroplectinella israelskyi are common components of the assemblage. The DWAF assemblage shows a steady decrease in diversity and in the proportion of the infaunal morphogroup, and an increase in S. israelskyi and Trochamminoides dubius in the proximity of the boundary, suggesting that productivity was on the decrease during the terminal Maastrichtian.

The DWAF assemblages from the basal Paleocene show a reduction in abundance, diversity, and especially in the proportion of tubular forms compared with the Maastrichtian. The genus Caudammina is the only form that disappeared at the C/P boundary in the Contessa section. Other forms such as the various species Paratrochamminoides and Trochamminoides are absent in the basal Paleocene, but re-appeared later as Lazarus taxa. The assemblage just above the K/P boundary clay is dominated by Recurvoides spp, and the overlying samples are successively dominated by Reophax spp. and Spiroplectammina spp. (mostly S. israelskyi and S. spectabilis). Remesella varians becomes common about 25 cm above the boundary. The abundance of DWAF returns to pre-K/P values about 1 m above the boundary, where tubular forms again become dominant. The faunal abundance increases steadily throughout the Paleocene owing to the re-establishment of the tubular forms, reaching values in excess of 500 specimens/100 cc in the uppermost Paleocene. The Reophax-Subreophax group decreases in abundance between 8 and 10 m above K/P. The most common non-tubular forms in the mid-Paleocene include Placentammina placenta, Saccammina sphaerica, glomospirids, Paratrochamminoides spp. and Verneuilinoides spp. The species Spiroplectammina spectabilis shows an increase in abundance in the uppermost 2 m of the Paleocene. Also common in the terminal Paleocene interval are the species Subreophax scalaris, S. splendidus, Arenobulimina spp., Remesella varians, and large specimens of Rhabdammina.

The Paleocene/Eocene boundary at Contessa has been determined at 30.40 m above K/P at the base of the Carbon Isotope Excursion (CIE), which is found within a distinctive 40-cm thick dark red marly interval, representing a dissolution horizon. The DWAF assemblage displays a reduction in abundance and diversity. In samples collected from the CIE horizon the diversity of the DWAF drops to a minimum value of 18 species. Just above the minimum in ?13C values, a bloom in the species Glomospira charoides is observed, followed by an increase in ammodiscids and Paratrochamminoides spp. The post-CIE assemblage is characterised by the reduced proportion of infaunal morphotypes, and the tubular forms consist almost entirely of small Rhizammina fragments. The taxonomic turnover among the DWAF is not as dramatic as among the calcareous benthic foraminifera - Karrerulina coniformis first appears at 28.20 m, and the FO of Pseudonodosinella elongata is observed at 29.60 m, coincident with the LO of Cribrostomoides trinitatensis. The abundance of Remesella varians and Pseudobolivina spp. decreases dramatically at 31 m, and the latter disappears at 32 m, while Remesella varians finally disappears at 33.5 m.

The most characteristic feature of the basal Eocene at Contessa is the bloom in G. charoides, which is most prominent within the CIE interval itself. The peak extends over a 5-m interval that corresponds almost exactly with Calcareous nannofossil Zone CP8. This basal Eocene "Glomospira facies" is also recorded in the Carpathian flysch deposits and at ODP sites in the Atlantic (see discussion below). The abundance of G. charoides declines again between 35 and 36 m.

The Lower Eocene part of the uppermost Scaglia Rossa shows faunal changes that are somewhat less well defined. However, we do observe some acme events that may have more than just regional significance. A maximum in Karrerulina conversa is found in one sample at 38 m, and the Paratrochamminoides group becomes abundant in the interval from 40 to 45 m. Spiroplectammina spectabilis appears again at 42 m, and the FO of S. navarroana is observed at 49 m. The interval between 50 and 55 m is characterised by the common occurrence of Nothia excelsa and Karrerulina coniformis.

The cherty R4 member of the Scaglia Rossa still contains common Paratrochamminoides and Subreophax in addition to the ubiquitous tubes, and the abundance of Haplophragmoides walteri increases at 70 m. This one sample contains the only occurrence of Reticulophragmium observed in the whole of the Contessa section, - several small specimens of R. intermedium.

The base of the Scaglia Variegata Formation is placed at the top of the cherty horizons at 85 m. The DWAF assemblage in the basal part of the formation is initially identical to that of the Scaglia Rossa, but a large increase in abundance is observed at 100 m, which is virtually coincident with the base of planktonic foraminiferal Zone P11. Ammodiscus tenuissimus, Glomospira charoides, Haplophragmoides walteri, and Karrerulina spp. (mostly K. horrida and K. coniformis) all increase in abundance at this level. The abundance of DWAF again increases at 125 m, where Saccammina spp. and H. walteri are dominant. At 142.5 m, a massive increase in Spiroplectammina spectabilis is observed, and this acme persists to the top of the studied section at 155 m. At 152.5 m, Glomospira charoides again becomes common. This interval with common Spiroplectammina corresponds to nannofossil Zone CP15a. This event correlates well with the Spiroplectammina acme observed in the Labrador Sea (see discussion below), and provides evidence of increased levels of biological productivity during the late Eocene.

Compared with the flysch-type assemblages from the Carpathians or even the northern Atlantic, the Paleocene - Eocene record of DWAF at Gubbio is less diverse, and specimens are typically smaller and finer grained. Some of the cosmopolitan Paleocene species described in this Atlas are missing or very rare here, notably the Paleocene rzehakinids and the Eocene R. amplectens and A. latus, as well as many of the more coarsely agglutinated forms. However, abundance variations in forms such as Reophax, Spiroplectammina, Glomospira, Karrerulina, and others reflect oceanic events that took place in the western Tethys. Thanks to the excellent magneto- and biostratigraphic correlations carried out at Gubbio, we can now better interpret the benthic foraminiferal events that we oberve in other areas of the western Tethys.


Back on top | Introduction | North Atlantic | Beaufort-Mackenzie, Arctic | Western North Atlantic | Eastern Atlantic ODP | Western Tethyan Flysch | Pelagics | Summary

     


     

SUMMARY

Zonal Schemes

The preceeding discussion of the studied localities should provide an overview of the use of DWAF for constructing local stratigraphic zonations and for correlation of deep marine sequences. The main point that can be made is the fact that DWAF may be very useful for intra-basinal stratigraphical correlations. However, for the purpose of inter-regional correlation, environmental factors such as palaeobathymetry and the trophic continuum must be taken into account before we attempt long-distance correlations. The silled basins such as the Norwegian Sea, and to some extent the various flysch basins of the Alpine-Carpathian area have their own depositional histories and degrees of faunal endemism. Both the Geroch & Nowak "Tethyan" zonation and the Gradstein et al. "Boreal" zonations reflect basinal history, and have some events that are unique to a given region. However, there are also some interesting communalities between the Tethys and the Boreal basins that may be related to inter-basinal marine conections or to oceanic events of a more global nature. Examples of the latter are the Cretaceous/Paleocene boundary event, the Paleocene/Eocene boundary, and the Eocene/Oligocene boundary events. Each of these events resulted in important faunal changes among the DWAF in terms of extinctions and/or the occurrence of a particular biofacies. A summary of Paleogene zonal schemes from the western Tethys to the Arctic Ocean is given in figure 44.

Figure 44. Summary of Paleogene zonal schemes described in different regions, arranged approximately from south to north.



Paleogene DWAF Acme Events in the Western Tethys and North Atlantic

The traditional zonal schemes proposed for Tethyan and North Atlantic DWAF were based on first and last occurrences of characteristic taxa (e.g., Geroch & Nowak, 1984, King, 1989). Other zonal schemes have made use of a combination of first and last occurrences as well as abundance maxima (e.g., Olszewska, 1997). It is becoming increasingly apparent that the important oceanic events of the Paleogene have been an important instrument of benthic faunal change in the deep ocean. Quantitative analysis of Deep-water Agglutinated Foraminifera (DWAF) assemblages from key ODP sites in the North Atlantic reveal the presence of stratigraphically-significant abundance maxima, that may be useful for correlating sedimentary sequences deposited beneath the CCD. For the purpose of this summary, the DWAF record from ODP Hole 647A in the Labrador Sea was re-studied and abundances were recalculated by excluding calcareous benthic foraminifera (Fig. 45). This hole is a key locality, as it provides direct calibration of the DWAF biostratigraphy to the standard chronostratigraphy. A second important locality for the calibration of the acme events is the Contessa Road section, where several acme events are developed to a greater or lesser extent. These acmes, in turn can be traced to the eastern Atlantic ODP sites (Kuhnt & Collins, 1996; Kuhnt & Urquhart, 2001) and to the Polish Carpathians (Olszewska, 1997, Bąk, 2004).

Figure 45. Relative abundance of selected species in the Eocene to Lower Oligocene of ODP Hole 647, southern Labrador Sea. Percentages are calculated as percent of agglutinated foraminifera (i.e., calcareous benthic species were removed from the matrix, to simulate a wholly agglutinated assemblage). Data are from Kaminski (1988).


Nine DWAF acmes are recognised in the Eocene to lower Oligocene at Site 647 and at other Atlantic and Norwegian Sea sites (Sites 959, 985, 1047, 1048). These are: The "Strangelove Ocean" spiroplectamminid acme, The PETM Glomospira Acme, a lower Eocene N. excelsa acme, an early/middle Eocene glomospirid acme, a Karrerulina acme, a middle Eocene Reticulophragmium amplectens acme, a middle/late Eocene Spiroplectammina acme, a latest Eocene-early Oligocene Ammodiscus latus acme, and an early Oligocene Spirosigmoilinella acme. Some of these acmes can be correlated with similar events occurring at onshore localities in the Western Tethys (northern Spain, Moroccan Rif, Italian Appenines, Western Carpathians). The main acmes are presented graphically in figure 46.

Figure 46. Summary of the areal extent of DWAF acmes, and palaeoceanographic parameters in the Atlantic-western Tethys region. Compiled from various sources and personal observations.


The "Strangelove Ocean" Spiroplectamminid Acme.
In the Sopelana section in northern Spain, the K/P boundary interval was studied by Kuhnt & Kaminski (1993). The foraminiferal assemblages within and directly above the boundary clay is dominated by infaunal agglutinated species such as Reophax, Subreophax, Ammobaculites and Recurvoides. Immediately above the boundary clay, a Spiroplectamminid-dominated biofacies characterises the top of Zone P0 and part of the P. eugubina Zone. This event has been subsequently found in the Caravaca section of Southern Spain (Coccioni & Galeotti, 1994), and we have observed it in the Contessa, Bottaccione, Petriccio, and Monte Conero sections of Central Italy. In the Italian sections, the acme is actually comprised mainly of Spiroplectinella israelskyi, but S. spectabilis is also present. The earliest Paleocene "Spiroplectammina event" (sensu Kuhnt & Kaminski, 1996) has now been observed at localities throughout the Atlantic and Mediterranean area, where the K/P boundary strata are preserved in deep-water settings. Peryt et al. (1997) found it in flysch deposits in Austria, and at ODP Site 959 in the eastern Atlantic, a peak in Spiroplectammina spectabilis was discovered by Kuhnt et al. (1998) in Cores 959D-48R-49R (see figure in taxonomic chapter). Most recently we have found this acme in the Indian Harbour M-52 well (Labrador Margin), housed in the BP Collection at the Natural History Museum, London.

Late Paleocene Reticulophragmium acme (Boreal Seas)
The evolution of alveolar structure among the organically-cemented deep-water agglutinated foraminifera took place concurrently along several lineages, in different oceanic basins during the mid to late Paleocene. Oceanic organic productivity as indicated by the ?13C ratios of pelagic carbonate was increasing steadily during the Paleocene (Corfield et al., 1991). Increased levels of sea-floor organic flux would have resulted in enhanced oxygen minimum zones below the thermocline and low values of oxygen saturation in the deep ocean. During the middle part of the Paleocene, the Atlantic Ocean became poorly oxygenated (Mountain et al., 1992), resulting in the deposition of dark coloured sediments in the deep basins. If the evolution of complex avleolar structure was a morphological adaptation to life in a poorly oxygenated environment, it is reasonable to assume that this evolutionary trait would evolve independently in different species. Several studies have pointed out the polyphyletic nature of the earliest Cenozoic cyclamminids (Berggren & Kaminski, 1990; Charnock & Jones, 1997), yet the group as a whole still suffers from a lack of detailed morphometric studies that would serve to document and understand the nature of its evolution. The single fact that is becoming increasingly well established is the observation that different species have evolved in different marginal basins of the North Atlantic during the Paleocene (Kaminski & Crespo de Cabrera, 1999).
In the North Atlantic petroleum basins the proportions of "primitive Reticulophragmium" increased throughout the late Paleocene, culminating in an acme just below the Paleocene/Eocene boundary. The "Reticulophragmium pauperum Zone" in the North Sea, Norwegian Shelf, and Western Barents Sea encompasses this acme. Various species of "primitive Reticulophragmium" evolved independently from various Haplophragmoides ancestors, mostly during the mid- to late Paleocene. In the Atlantic sector, for example the Indian Harbour well, the dominant species is Reticulophragmium garcilassoi, whereas in the Norwegian Sea we find R. pauperum and a robust Reticulophragmium. The genus Reticulophragmoides first appeared in the mid-Paleocene in the Atlantic and Norwegian Sea. An interesting primitive form of Reticulophragmium with few alveoles is R. vidonioensis from the Vidoño Shale of eastern Venezuela (Kaminski & Crespo de Cabrera, 1999). Several seemingly endemic species such as Reticulophragmium arcticum and its relatives are observed in the Paleocene of the Alaskan offshore (Petracca, 1972), in the deltaic sediments of the Beaufort Sea (McNeil, 1997), and the Paleocene of Spitzbergen (Nagy et al. 2000).
The genus Reticulophragmium is common mainly in neritic to bathyal facies, along the Atantic margins, probably preferring more eutrophic conditions. Equally intriguing is the observation that primitive Reticulophragmium is completely absent in the more oligotrophic and well-oxygenated Scaglia Rossa of Central Italy, and the abyssal ODP holes in the Eastern Atlantic.

The PETM Glomospira Acme. Age: NP10
We use the term "Glomospira" in the broadest sense, as this distinctive biofacies may contain several species that are (or should be) placed in difference genera, including various species of Glomospira, Glomospirella, and Ammodiscus. A short-lived maximum in the proportions of the glomospirids is observed at the Paleocene/Eocene boundary at Gubbio (Galeotti et al. 2004). The glomospirid maximum at Gubbio is found within a "dissolution horizon" within the normally reddish marly limestone of the upper Scaglia Rossa Formation. Its position just above the Paleocene/Eocene boundary in Gubbio has been determined based on the carbon isotope record (Galeotti et al. 2004). Recent ODP drilling in the South Atlantic suggests the CCD shoaled to at least the level of the Oxygen Minimum Zone (J. Zachos, personal communication), probably in response to the release and subsequent oxidation of gas hydrates. In the Contessa Road section the acme occurs in the 5-m interval above the P/E boundary that corresponds exactly to calcareous nannofossil Zone CP8. The most abundant species is Glomospira charoides, which is often of very small dimensions. The acme of Glomospira charoides seems to be of use for stratigraphic correlation across the P/E transition in deep-water settings. Although not accurately dated, this is probably the same event that is present over a 12-m interval in ODP Hole 900A, and over a 3-m interval in Hole 897C off Iberia. Although the base of the Eocene was not recovered at Site 1067, a maximum in Glomospira is found in Cores 1067A-11R and -12R, which is dated as early Eocene (Zones NP11-12). A remarkable bloom of G. charoides occurs in the Trabakua Pass section in the Basque basin, Spain, where it forms 50% of the assemblage in the lowermost Eocene (Coccioni et al., 1995; Orue-Extebarria et al., 1996). The Glomospira-Ammodiscus assemblage reported by Kaminski et al. (1996) from the Paleocene-Eocene Talaa Lakrah section in Northern Morocco might be coeval. In the Polish Carpathians, the event is widely distributed and it constitutes the basal Eocene zone in the DWAF zonation of Olszewska (1997).
The widespread occurrence of a diminuative Glomospira biofacies in the earliest Eocene can be interpreted in terms of ocean-wide oligotrophy, as also suggested by the calcareous nannofossil record (Bralower et al., 2002). In a study of modern benthic foraminifera along a productivity gradient in the Mediterranean, De Rijk et al. (1999) found that Glomospira charoides characterises the deepest, most oligotrophic sector of the Eastern Mediterranean. In Gubbio, the facies is preceded by a marked decrease in the relative abundance of deep-infaunal forms, suggesting a decrease in the carbon flux to the sea-floor (Galeotti et al., 2004). While the duration of the earliest Eocene dissolution facies caused by the release of methane hydrates is only on the order of 200,000 years (Dickens, 2000), we expect that the duration of the "PETM Glomospira acme" may vary from place to place according to the trophic conditions. It is conceivable that the event represents a longer period of time at deeper, more oligotrophic sites because of the more severe oligotrophy generally found at deep-sea localities.

Nothia excelsa acme. Age: NP11-NP13
In Hole 647A, the species N. excelsa comprises a maximum of 42% of the DWAF assemblage at a depth of 646.9 mbsf (
Fig. 45). In the eastern Atlantic Kuhnt & Collins (1996) reported a maximum of this species in one sample dated as lower Eocene at Site 897 (Sample 897D-3,CC). It is also present in elevated numbers in the "lower Eocene" at Site 900, where it occurs in Core 900A-72, approximately 30 m above the "PETM Glomospira acme"; and in Hole 1068A in the same relative position (5-10 m above the Glomospira acme). We also observed high proportions of N. excelsa in samples from the lower Eocene of the Contessa Road section in Italy, over the interval corresponding exactly to Chron C24n, which correlates to Zone NN12.

The Early/Middle Eocene Glomospira Acme. Age: NP13-NP14
The occurrence of glomospirid-dominated biofacies is not a unique event. These events are well-known from the Cretaceous, where they have been termed "Biofacies-B" by Kuhnt & Kaminski (1989). In Hole 647, the Glomospira-Glomospira group comprises a maximum of 30% of the assemblage at 619.6 mbsf. In this hole, the occurrence of Ammodiscus seems to weakly covary with that of the glomospirids (r2=0.28), and this genus makes up 28% of the assemblage at this level. In the Labrador Sea, this E/M Eocene Glomospira assemblage is present within a 20-m thick dissolution horizon containing red and green variegated claystones. This is the only interval in the whole of the core that contains horizons of red clays. Backtracking indicates the CCD in the Labrador Sea had risen to a level above 2,500 m during the deposition of this "Glomospira facies". This second Glomospira acme is clearly present in the data from Hole 900A, where it is present as the most abundant non-tubular taxon in Sample 900A-70R-2, 57-59 cm (Kuhnt & Collins, 1996). This sample coincides with the FO of Reticulophragmium amplectens at this locality. Small numbers of Glomospira still occur at ODP Site 643 on the Vøring Plateau (Kaminski et al., 1990), but none were found at more northerly Site 913 in the East Greenland Basin (Osterman & Spiegler, 1996).

Karrerulina acme. Age: early NP15
A sharp peak in Karrerulina conversa is observed at the top of the "Glomospira assemblage" in Hole 647A. The species comprises 9.5% of the DWAF assemblage at 605.8 mbsf. At Site 900, the event is observed 1.5 metres above the second Glomospira acme, in the next higher sample (900A-70R-1, 69-72 cm). At Site 1067, Karrerulina conversa and Karrerulina coniformis together comprise an acme in Cores 1067A-5R and -6R. The acme begins at the base of Zone NN15 (subzone CP13a) and persists to the lower part of subzone CP13b).
This Karrerulina event is curious, as we have also observed an acme of K. conversa in the upper part of the lower Eocene in the North Sea (Gradstein et al., 1994), and it is observed as far north as ODP Site 913 in the East Greenland Basin (see: Table 2 of Osterman & Spiegler, 1996). It occurs in Morocco (Kaminski et al., 1996) in more or less the same relative position. However, the latter areas the chronology of the event is not as well constrained.
In Moravia, where planktonic foraminifera have been reported from the Carpathian deposits, Hanzlíková (1983) noted an acme of Karrerulina within the M. formosa-M. aragonensis Zones (undifferentiated) in the Magura Basin. Most recently, Bąk (2004) reported an acme of Karrerulina in the lower Eocene of the Dukla basin. We have also observed elevated proportions of Karrerulina conversa in Lower Eocene variegated claystones from the Silesian Unit near Biecz. In the Contessa Section in Italy, we found a maximum in K. conversa at 38 m above the C/P boundary within nannofossil Zone CP9, and another Karrerulina spp. acme at 100 m in Zone CP13. As this is the case, there may be more than one Karrerulina acme in other areas as well. It may be important to differentiate between the lower Eocene K. conversa acme and the middle Eocene mixed Karrerulina acme. The stratigraphic occurrence of the various Karrerulina species may be controlled by palaeoceanographic factors such as changes in organic matter flux, since modern representatives of this group appear to thrive infaunally in the abyssal clays of the North Atlantic (Kuhnt et al., 2000).

Reticulophragmium amplectens acme. Age: NP15 to early NP16.
The species Reticulophragmium amplectens was one of the taxa originally used by Grzybowski (1898) in his zonation of the Potok Oil Field, near Krosno, Poland. The species is very widely distributed throughout the Western Tethys and North Atlantic.
In Poland and the North Sea, R. amplectens tends to be most abundant in the early part of its range. This trend is confirmed at Site 647, although the relative abundance of this species is much lower in the abyssal Labrador Sea than it is on the continental margin, where it can dominate the assemblage. A broad maximum in R. amplectens is observed between 588.4 and 518.8 mbsf in Hole 647A, with a maximum abundance of 15% recorded at 569.1 mbsf. At this site, its FO is observed in the lower part of Lower Eocene Zone NP11, and its LO is exactly at the level of the Eocene/Oligocene boundary as determined by calcareous nannofossil biostratigraphy. At Site 900 on the Iberian Abyssal Plain, the R. amplectens acme was observed 10 m above the Karrerulina acme, in Core 900A-69R-1. At this level it was the dominant species (Kuhnt & Collins, 1996). At Site 1067, it begins in Core 1067A-5R, immediately above the Karrerulina acme (Kuhnt & Urquhart, 2001).
Reticulophragmium amplectens is one of the most widely known species described from the Carpathian flysch, and has been reported from Poland, Slovakia, Moravia, the Ukraine, and Romania by numerous authors. Reticulophragmium amplectens figures prominently in most zonal schemes using agglutinated foraminifera, both within the Carpathians and in other regions. In Poland, its first occurrence was reported in the Early Eocene (Zone NP12) by Olszewska & Smagowicz (1977). Its total range in the Polish Carpathians was given as Early to Late Eocene by Morgiel & Olszewska (1981), and its partial range and peak occurrence characterises the Middle Eocene Cyclammina amplectens Zone of Geroch & Nowak (1984). In Moravia, the first appearance of abundant R. amplectens was reported by Hanzlíková (1983) from Zone P10 based on the occurrence of Acarinina densa, A. pentacamerata, and M. aragonensis. In the central North Sea, King (1989) used the LCO (last consistent occurrence) of R. amplectens to define the upper limit of his Zone NSA4 (R. amplectens Zone), which he regarded as Early to Middle Eocene. The middle Eocene R. amplectens acme is also found at the deep Norwegian Sea Sites 643 and 913 (Kaminski et al., 1990; Osterman & Spiegler, 1996), and it characterises the top of the Torsk Formation in the Western Barents Sea (Nagy et al., 1997).

Spiroplectammina acme. Age: NP17
The species Spiroplectammina spectabilis is present throughout the Eocene at Site 647, but its relative abundance increases abruptly to 40% of the assemblage at 450.1 m. The abundance acme continues to 434.4 m, where its abundance is still 34%. Higher in the Hole 647A, its abundance is lower, but it still reaches 15% in some samples. Its LO correlates exactly with the level of the Eocene/Oligocene boundary in Hole 647A. The "Spiroplectammina acme" in Hole 647A also includes the somewhat larger species S. trinitatensis (Cushman & Renz, 1946), which co-occurs with S. spectabilis in the younger (upper Eocene) part of the section. This event is apparently coeval with the Spiroplectammina spectabilis acme observed within Zone CP15a at 142.5 to 155 m in the Contessa Section in Italy.
The stratigraphic significance Spiroplectammina spectabilis is not unequivocal, because as is the case with Glomospira, the occurrence of this species seems to be linked with the trophic continuum. Spiroplectammina is absent from the highly oligotrophic abyssal sites in the eastern Atlantic. Kuhnt & Collins (1996) did not record a single specimen of this species from the Iberian ODP sites, and Kuhnt & Urquhart (2001) reported rare specimens only from the Paleocene at Site 1068. It was also absent from our samples from the Paleocene-Eocene Talaa Lakrah section in Northern Morocco. However it can be very common at times, and forms distinct acmes in the Paleocene and Eocene at Gubbio. It can also be quite common in middle-upper Eocene samples from the Carpathian flysch. Bratu (1975) recorded an assemblage in lowermost part of the upper Eocene Bisericani Formation in the Romanian Carpathians. In the Atlantic, Spiroplectammina spectabilis is better known to form acmes in the Paleocene rather than in the Eocene. It is known as a "disaster species", occuring just above the Cretaceous/ Paleogene boundary at ODP Site 959 in the equatorial Atlantic (Kuhnt et al., 1998) and at Gubbio, Italy (Kuhnt & Kaminski, 1996). In the Barents Sea, its maximum occurrence is observed in the middle part of the Paleocene, while in the Central North Sea and in the Contessa section it is common in the upper Paleocene. Its occurrence in the deep-sea sites is most likely linked to an increase in sea-floor carbon flux. At Site 647 the biosiliceous flux increases uphole throughout the upper Eocene (Bohrmann, 1989), suggesting increasingly more eutrophic conditions.

Ammodiscus latus acme. Age: latest NP20-NP21
The species Ammodiscus latus occurs in low numbers throughout the middle and upper Eocene at Site 647, but its relative abundance increases rapidly at 281.2 mbsf. This is just below the Eocene/Oligocene boundary as determined by the age model for Hole 647A, which places the boundary at ca. 290 mbsf within Core 647A-31R (Baldauf et al., 1989). Ammodiscus latus can be very common and reach very large dimensions in the lower Oligocene along the Labrador Margin - Northern Grand Banks. In the Carpathians, the Ammodiscus latus Partial Range Zone was defined as the interval from the FO of the nominate taxon to the FO of Reticulophragmium rotundidorsatum (Geroch & Nowak, 1984). Ammodiscus latus can occur commonly in upper middle Eocene to upper Eocene strata in the Carpathian flysch basins. The species is also known from other localities in the North Atlantic (Trinidad, North Sea).

Spirosigmoilinella/Psamminopelta acme (Boreal Seas). Age: NP22-23.
The diversity of agglutinated foraminifera declines abruptly across the Eocene/Oligocene boundary in Hole 647A. The Lower Oligocene at this site contains a depauperate DWAF assemblage, in sediments that are increasingly biosiliceous. At 237.1 mbsf the residual assemblage is comprised only of the species Spirosigmoilinella compressa and Psamminopelta gradsteini. A similar faunal change is known from the Oligocene of DSDP/ODP holes in the Central Norwegian Sea (Verdenius & van Hinte, 1983; Kaminski & Austin, 1999). This assemblage appears to be restricted to the northern North Atlantic.


Back on top | Introduction | North Atlantic | Beaufort-Mackenzie, Arctic | Western North Atlantic | Eastern Atlantic ODP | Western Tethyan Flysch | Pelagics | Summary